EasyManua.ls Logo

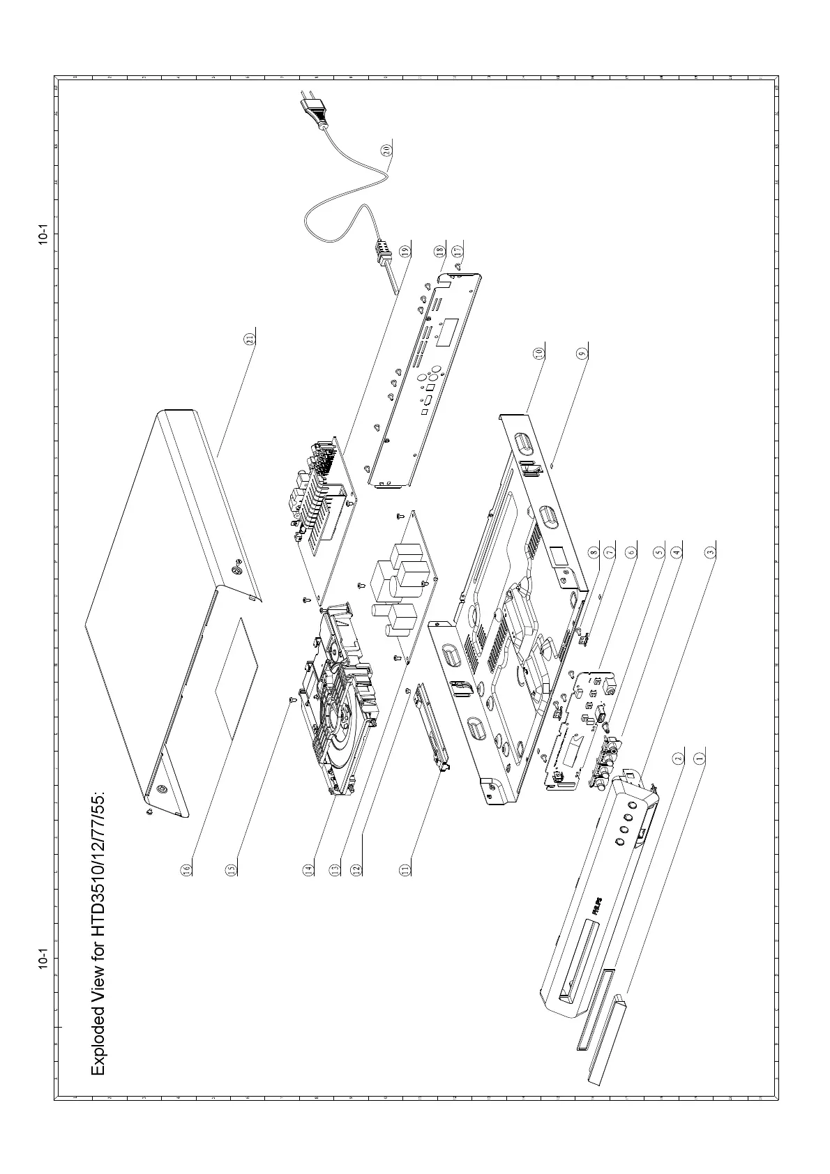
Philips HTD3510/12 - Exploded Views; HTD3510;12;77;55 Exploded View

Philips HTD3510/12
52 pages
Print Icon
To Next Page IconTo Next Page
To Next Page IconTo Next Page
To Previous Page IconTo Previous Page
To Previous Page IconTo Previous Page
Loading...

Related product manuals