EasyManua.ls Logo

Philips LPC2119 - Figure 19: Block Diagram of the Vectored Interrupt Controller

Philips LPC2119
306 pages
Print Icon
To Next Page IconTo Next Page
To Next Page IconTo Next Page
To Previous Page IconTo Previous Page
To Previous Page IconTo Previous Page
Loading...
Vectored Interrupt Controller (VIC) 105 May 03, 2004
Philips Semiconductors Preliminary User Manual
LPC2119/2129/2194/2292/2294ARM-based Microcontroller
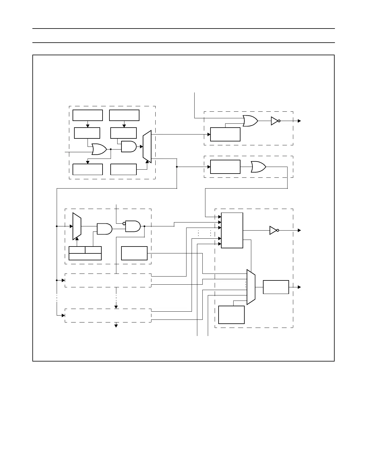
Figure 19: Block Diagram of the Vectored Interrupt Controller
RawInterrupt
[31:0]
IntSelect
[31:0]
IntEnable
[31:0]
SoftInt
[31:0]
VICINT
SOURCE
[31:0]
FIQStatus
[31:0]
IRQStatus
[31:0]
Interrupt Request, Masking, and Selection
VectorAddr
[31:0]
VectIRQ0
VectAddr0[31:0]
Vector Interrupt 0
Priority 0
VectorCntl[5:0]
Source Enable
VectIRQ1
VectAddr1[31:0]
Vector Interrupt 1 Priority 1
Priority 2
VectIRQ15
VectAddr15[31:0]
Vector Interrupt 15 Priority 14
Priority 15
Hardware
Priority
Logic
Default
VectorAddr
[31:0]
VectorAddr
[31:0]
VICVECTADDRIN[31:0]nVICIRQIN
IRQ
nVICIRQ
VICVECT
ADDROUT
[31:0]
Interrupt Priority Logic
Address Select for
Highest Priority
Interrupt
nVICFIQ
FIQStatus
[31:0]
nVICFIQIN
Non-vectored FIQ Interrupt Logic
NonVectIRQ
IRQStatus
[31:0]
Non-vectored IRQ Interrupt Logic
IRQ
SoftIntClear
[31:0]
IntEnableClear
[31:0]

Table of Contents

Related product manuals