EasyManua.ls Logo

Philips MC230 - Set Wiring Diagram

Philips MC230
31 pages
Print Icon
To Next Page IconTo Next Page
To Next Page IconTo Next Page
To Previous Page IconTo Previous Page
To Previous Page IconTo Previous Page
Loading...
5-1 5-1
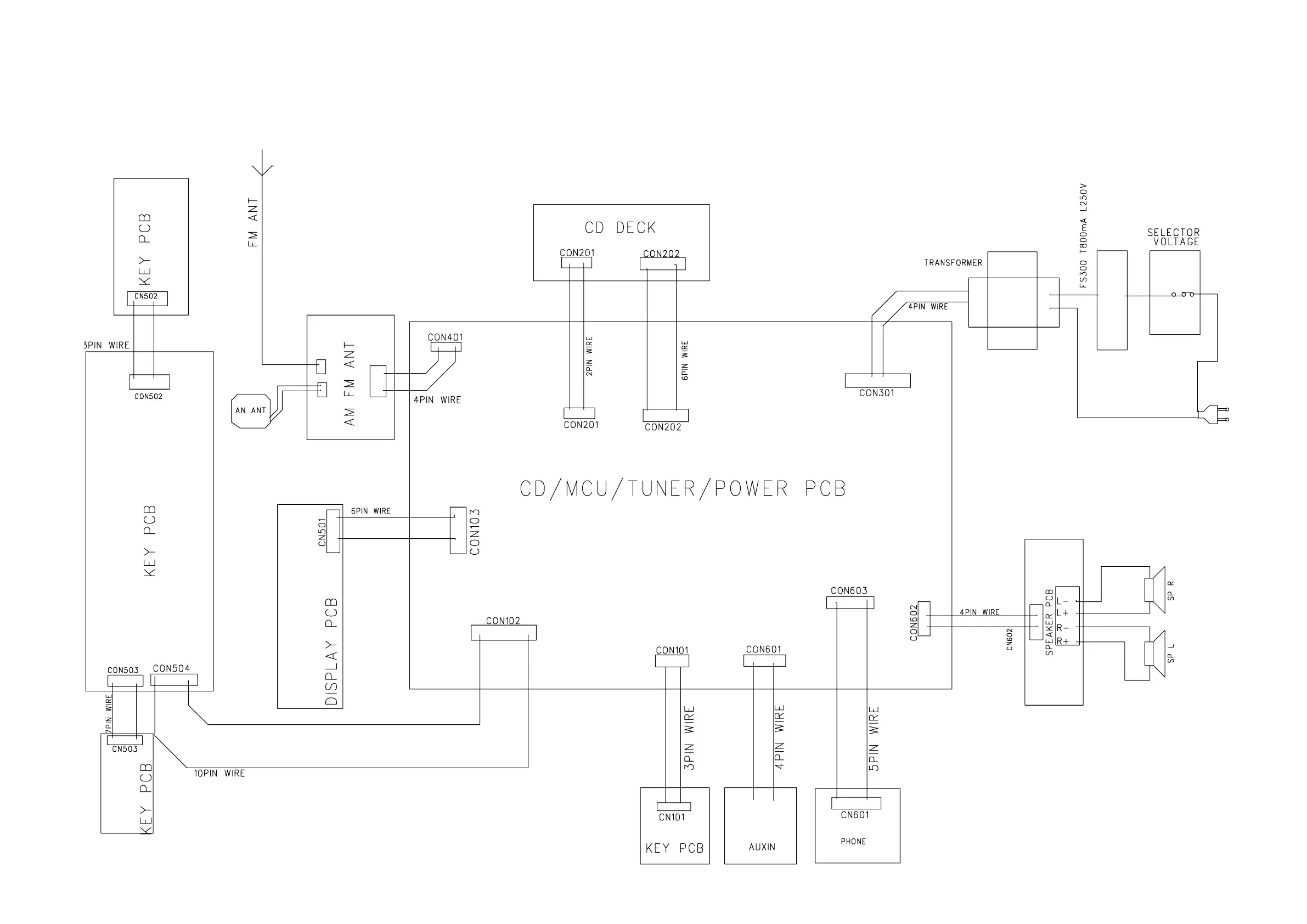
SET WIRING DIAGRAM

Other manuals for Philips MC230

Related product manuals