EasyManua.ls Logo

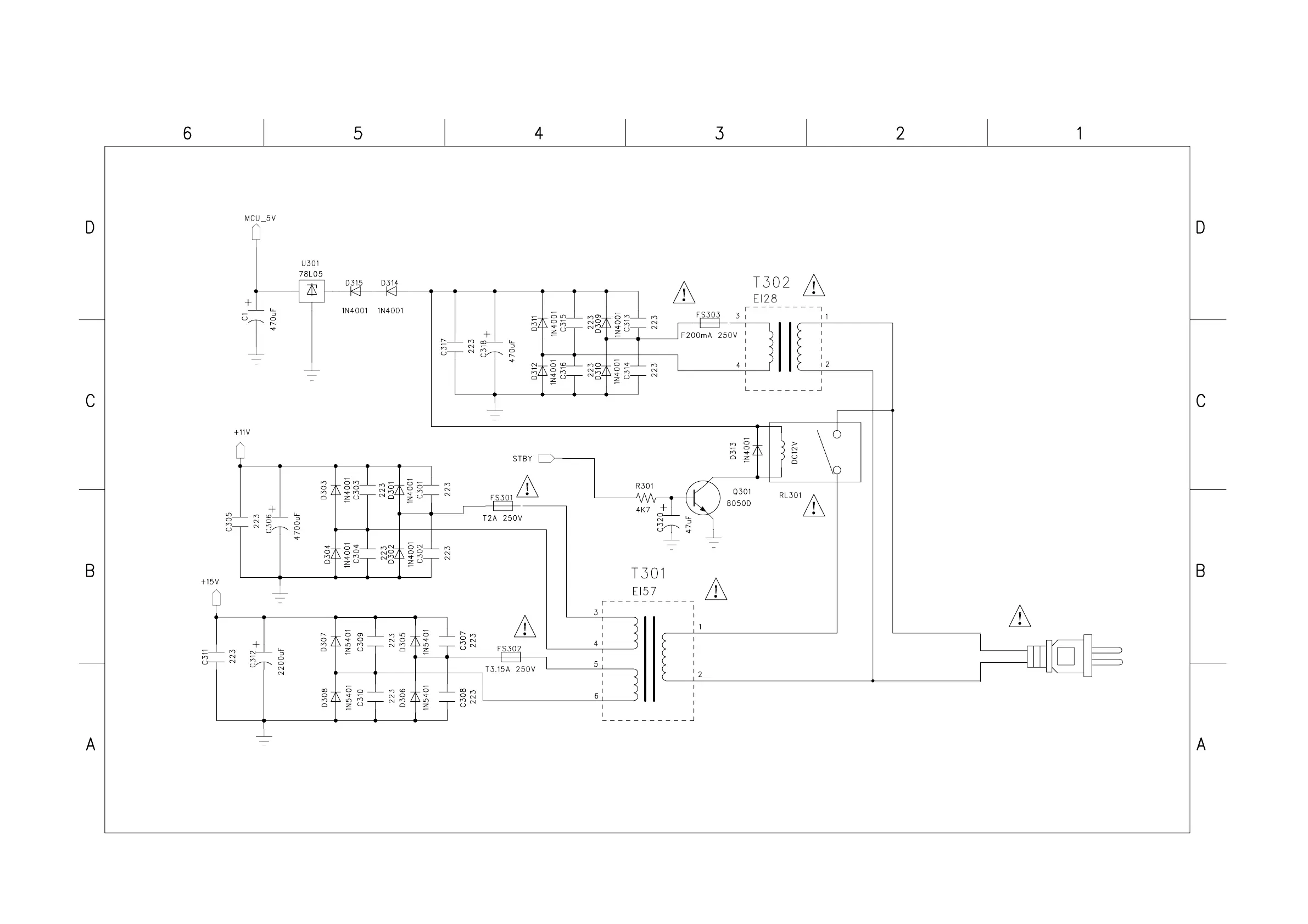
Philips MC230 - Power Board Circuit Diagram

Philips MC230
31 pages
Print Icon
To Next Page IconTo Next Page
To Next Page IconTo Next Page
To Previous Page IconTo Previous Page
To Previous Page IconTo Previous Page
Loading...
6-2 6-2
CIRCUIT DIAGRAM

Other manuals for Philips MC230

Related product manuals