EasyManua.ls Logo

Philips MCM390 - Circuit Diagram

Philips MCM390
38 pages
Print Icon
To Next Page IconTo Next Page
To Next Page IconTo Next Page
To Previous Page IconTo Previous Page
To Previous Page IconTo Previous Page
Loading...
8 - 3
8 - 3
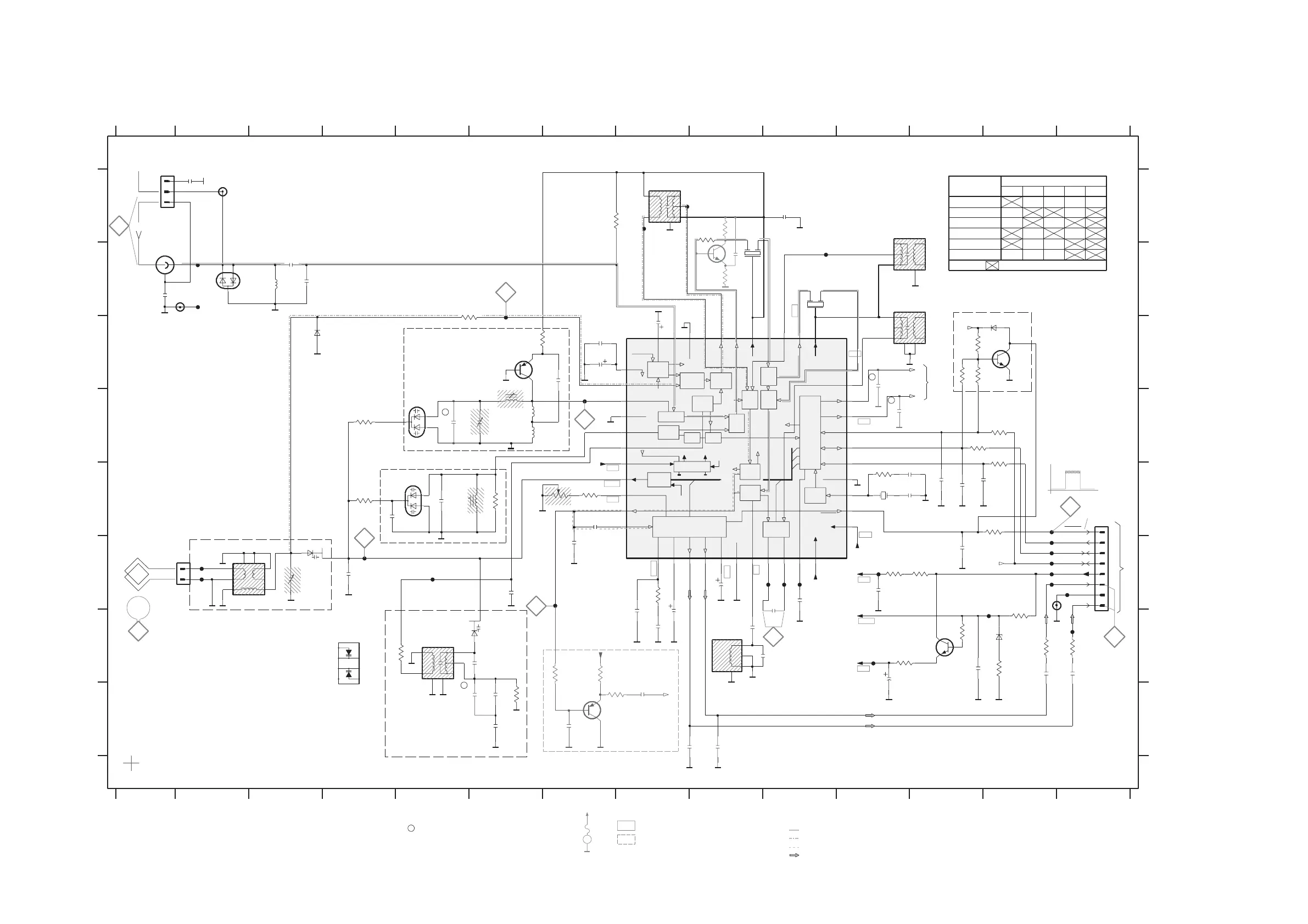
ECO6 Sys-non Cenelec, 000911
1101 A1
1102 B1
1103 F2
1120 E14
1130 A2
1131 B2
1132 G13
2101 B3
2102 B1
2103 C7
2104 B3
2105 A2
2106 F3
2107 F4
2119 H6
2120 G6
2124 H6
2125 H6
2126 F7
2127 E7
2128 C8
2129 C7
2130 F11
2131 G8
2132 G8
2133 G8
2134 H8
2135 H9
2136 G14
2137 G13
2138 F9
2139 G9
2140 G9
2141 F10
2143 G12
2144 G11
2145 F12
2146 E12
2147 E12
2148 E12
2149 H7
2150 A10
2152 E4
2153 E5
2154 D5
2155 D5
2159 F6
2161 C11
2163 D11
2164 F10
2165 C7
2166 E11
2167 E11
2169 H8
3101 E4
3102 D4
3103 C6
3104 A7
3105 B6
3132 G5
3134 H6
3141 E7
3142 E7
3143 G7
3144 H7
3145 F8
3146 G13
3152 G14
3153 G13
3154 G13
3155 G11
3156 C12
3157 C12
3158 E13
3159 D13
3160 D12
3161 D13
3167 F12
3168 F11
3169 E11
3170 C12
3172 G12
3176 G7
3181 E6
5102 F2
5109 B9
5110 B10
5111 A8
5112 A11
5114 B11
5119 G9
5121 E11
5123 G5
5130 E5
5131 C6
6103 B2
6105-1 F3
6105-2 G5
6106 C3
6107 G13
6120 C13
6130 E5
6131 D5
7101 C8
7102 C6
7103 H7
7111 C13
7112 G12
T102 B2
T103 B2
T105 F2
T106 F2
T109 B6
T110 F5
T111 F4
T112 F7
T113 A8
T114 B10
T115 A8
T116 F10
T117 G13
T118 G11
T120 F13
T121 F13
T122 F13
T123 E13
T124 G14
T125 F14
T126 F13
T127 F13
T128 D7
T
1
4
0
F
1
1
T
1
4
1
F
1
0
T
1
4
2
F
1
0
1
34
6
87
2
1
34
6
87
2
LEGEND
p ...for provision only
USA ... for USA version only
E-EU ... for East European version only
22n
USA
22n
USA
p
p
p
7
1
2
3
8
6105
6
HN1V02H
54
3
6
1
2
7
29
25
13
30
31
16
4
42
15
1
7
22
9
23
38 34
2118
37 35
33
43 39
5
3
8
171412
24
11
10
2019
44
32
41 3640
6
2
27
28
26
1
3
4
5
6
87
2
1
34
6
87
2
1
34
6
87
2
p
SCALER
MULTI-
PLEXER
CONTROL
FILTER
AM
IF
AM
DET
FM
DET
VSTABB
DECODER
CHARGE
PUMP
AGC
OSC
AM DET
FM
IF2
RIPPLE
AGC
STABILIZER
AFC
VDD
VSTABA
AM-IF
MONO/
FM
FRONTEND
CONTROL
XTAL
AGC
PRE-
CTRL
AGC
AM
OSC
AGC
VCC2
FM
OSC
AM
MIXER
MIXER
FM
FM
IF1
FRONTEND
AM
STEREO
STEREO
RDS only
DISCRIMINATOR
to/from
FM-OSCILLATOR
PROGR.
MPX
Q-multiplier
MW
OUTPUT PORTS
to 1120
pin 5
ENABLE/MPX
BUFFER
kHz
VERSION DETECTION
VCO
RIGHT
14
12 3
AM FRAME AERIAL
DATA
C
D
E
F
AM-OSCILLATOR
FM 75 OHM
FM-IF2
MW
2345
AM-RF
450kHz
450kHz
AM-IF2
from 2169
78
AM-AFC
LEFT
6 7 8 9 10 11 12 13
456
FM-RF
TUNER BOARD ECO6
/ SYSTEMS NON CENELEC
91011121314
A
B
G
H
A
B
1
VCC
STEREO
CLOCK
AMPLIFIER
GND
H
C
D
E
F
G
470n
2132
BAS216
6120
2103
1u
2107
1n
3134
22K
6105-2
HN1V02H
100n
2163
T141
7KL
1K
3144
5102
3157
100K
T109
470R
3153
2130
22n
220R
3105
3142
100K
3167
120R
33p
2149
2K2
3145
1132
C-PAD
T103
T111
2164
470n
T102
2140 15p
2139
2138
2u2
82p
2133
1u
3103
8K2
T120
4p7
2154
3156
1101
USA
YKD21
100K
2161
100n
5119
2119
10p
T142
5123
11p
2106
3172
6106
BAS216
100n
2165
5K6
3154
3155
220R
330R
2124
33K
3176
22n
WRITE-EN
5114
7P
MUTE
P0
P1
PILOT
RF-GND1
RF-GND2
RIGHT
RIPPLE
VCC1
VCC2
VCO
VDD
VSTABA
VSTABB
FM-DEMOD
FM-IF1-IN
FM-IF2
FM-IF2-IN
FM-IN
FM-MIXOUT
FM-OSC
FM-RF
I-TUNE
IF-GND
LEFT
LPF
MPX-IN
AF-OUT
AFC+
AFC-
AGC
AM-AFC
AM-IF1-IN
AM-IF2
AM-MIXOUT
AM-OSC
AM-RF
CLOCK
DATA
DIG-GND
FIELDSTR-IND
5130
T127
T126
220n
2127
5121
DT-381
150K
3169
75K
3102
100K
56K
3141
1131
C-PAD
3132
5112
7P
6107
47R
6131
1SV228
BZX284-C11
1120
FE-BT-VK-N
T118
T140
T117
T112
2131
470n
33K
3101
1SV228
6130
3168
120R
2125
560p
T116
2n2
2148
100n
2141
470R
18p
2120
470R
3158
3152
3159
XH-S
1103
3160
470R
470R
220n
2143
2150
T125
1
2
3
4
5
6
7
8
22R
3146
BF550
7102
5131
11p
2155
O
100K
5110
G
I
1102
not USA
3170
T122
2135
15n
2167
2145
220p
T110
12p
HN1V02H
1n
2166
T105
6105-1
T106
T121
T123
BC547C
7112
3143
2129
100u
C-PAD
1130
22K
220n
2137
T128
3181
1K
330p
2126
2101
47p
BAV99
6103
2104
100p
2153
15p
T124
2152
33n
560p
E-EU
12p
E-EU
2p2
J
33p
2159
220p
2146
2169
2n2
1u
15n
2134
2144
220n
2136
22K
3161
BC857C
BC847C
7111
7103
2147
220p
VCC2
VCC2
VDD
T114
MPX
P1
P0
P1
VDD
MPX
VCC1
VCC1
VCC1
printed
printed
printed
1
2
13
2
1
2
3
1
2
TEA5757H
TEA5759H
J
7101
2128
10u
7111
component mounted
/14 FM-OIRT/MW
/00 /02 FM/MW/LW
6120 3170
/01 FM/MW
VERSION
/00 /02 FM/MW
3156
/17 FM/AM
/06 FM-Japan/AM
3157
VERSION PROGRAMMING COMPONENTS
J ... for Japanese version only
AM-IF1
450kHz
8
5111
1
2
3
4
6
7
T113
T115
FM-IF1
2
G
1
I
3
O
5109
3104
330R
100n
0R
4103
...V MW mode
...V LW mode
voltages measured while
set is tuned to a strong transmitter
...V FM mode stereo
EVM
V
5V
0V
152kHz, 50mV
pp
stereo stereomono
9.6V
9.5V
9.5V
10.4V
12V
1V
1.3V
1.4V
stereo 0.2V
mono 4.8V
9.6V
12Vtyp
stereo 0.4V
0.15V
11.1V
7.8V
2V
0.7V
0V
1.2V
7.6V
(10-14V)
0.2V
0V
1.2V
0.1V
D
1.4V
0.7V
4
0V
0V
mono 4.8V
1.4V
9.6V
1.4V
0.2V
0.7V
1.4V
7.9V
7.7V
0V
0V
0V
0V
0.6V
0.8V
0.1V
1.6-8V
1-8V
11.1V
0V
1V
1.4V
1.4V
B
7.6V
5
3
2
A
1.3V
0.7V
7.8V
11.1V
0.8V
0.6V
0.6V
1V
0.7V
1V
1.1V
1.1V
0V
0V
2V
C
1
0.8V
1.2V
1.1V
IF-AMP.
BFS20
7119
J
1K
3113
J
2112
J
100p
330R
3119
J
Signal path
FM
AF - left/right
AM
MPX (Audio Frequency)
2102
100n
2105
USA
100n
CIRCUIT DIAGRAM - ECO6 SYSTEM NON-CENELEC BOARD
www.nostatech.nl
www.nostatech.com

Other manuals for Philips MCM390

Related product manuals