EasyManua.ls Logo

Philips MCM390 - Page 25

Philips MCM390
38 pages
Print Icon
To Next Page IconTo Next Page
To Next Page IconTo Next Page
To Previous Page IconTo Previous Page
To Previous Page IconTo Previous Page
Loading...
10 - 1
10 - 1
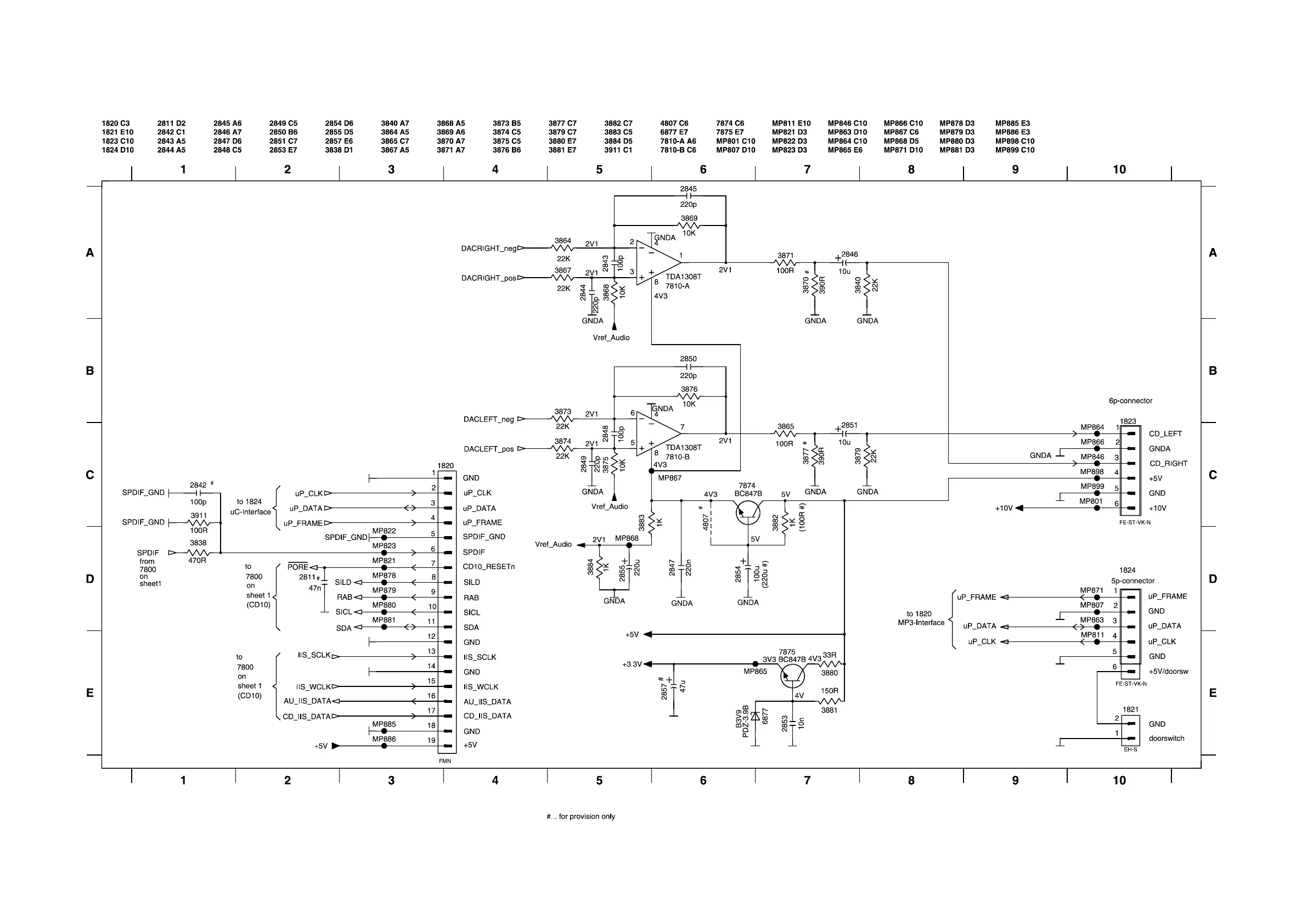
CIRCUIT DIAGRAM - CD BOARD (PART 1)
www.nostatech.nl
www.nostatech.com

Other manuals for Philips MCM390

Related product manuals