EasyManua.ls Logo

Philips MX5100VR - Page 82

Philips MX5100VR
151 pages
Print Icon
To Next Page IconTo Next Page
To Next Page IconTo Next Page
To Previous Page IconTo Previous Page
To Previous Page IconTo Previous Page
Loading...
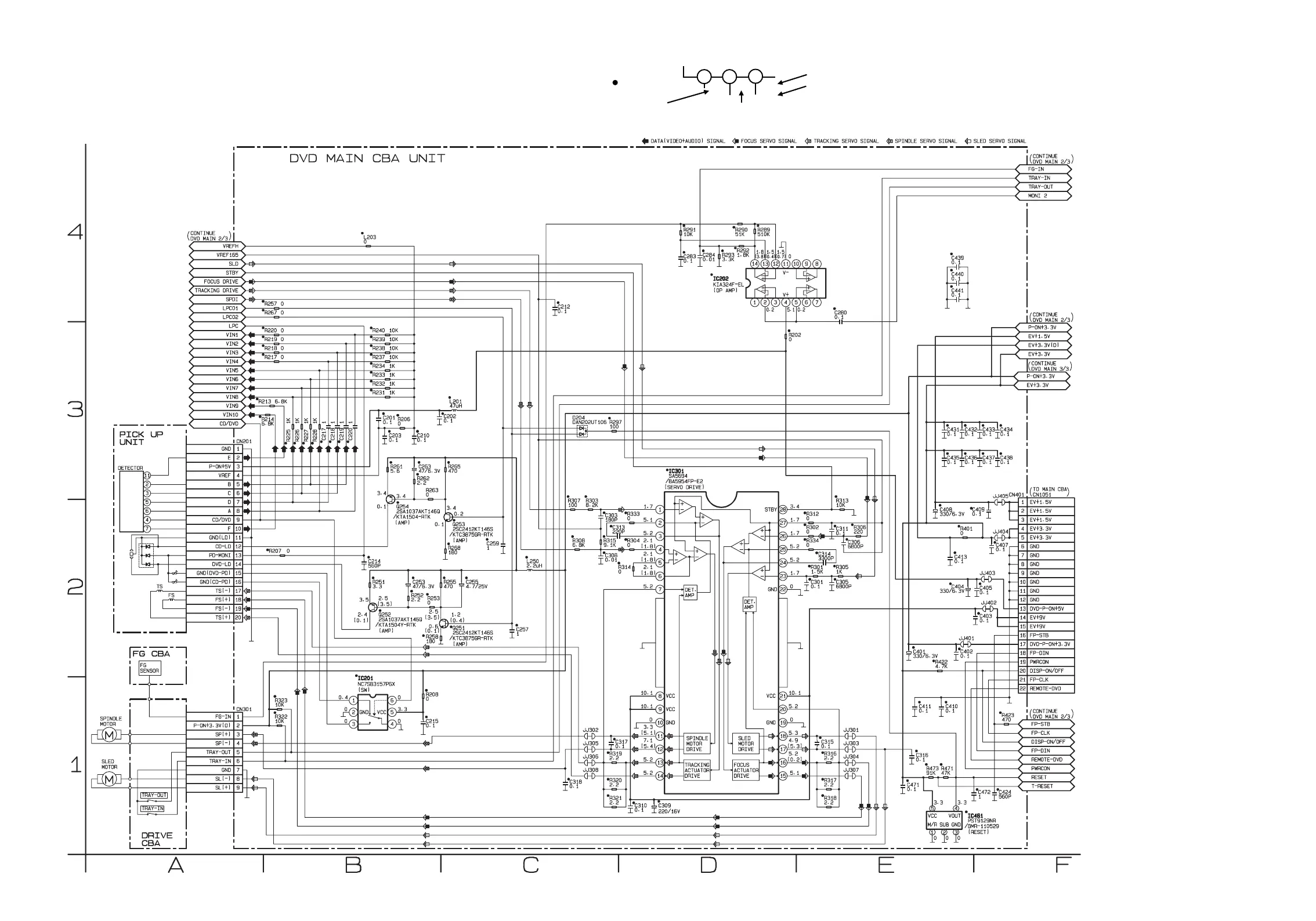
DVD Main 1/3 Schematic Diagram < DVD Section >
E9015SCD1
ā€œ ā€œ = SMD
THE SAME VOLTAGE FOR
BOTH PLAY & STOP MODES.
INDICATES THAT THE VOLTAGE
IS NOT CONSISTENT HERE.
PLAY MODE
STOP MODE
1
2
3
5.0
5.0
(2.5)
~
1-12-75
1-12-76
www.freeservicemanuals.info
10/31/2012
www.nostatech.nl
World of free manuals

Other manuals for Philips MX5100VR

Related product manuals