EasyManua.ls Logo

Philips MX5100VR - Page 86

Philips MX5100VR
151 pages
Print Icon
To Next Page IconTo Next Page
To Next Page IconTo Next Page
To Previous Page IconTo Previous Page
To Previous Page IconTo Previous Page
Loading...
MIXER
varicap
FM FRONTEND
GND
PRE-
SCALER
MULTI-
PLEXER
VSTABA
AM-IF
MONO/
XTAL
AGC
CONTROL
OSC
AM DET
AM
OSC
AGC
VCC2
AGC
PUMP
AM
MIXER
DECODER
CHARGE
FM
IF1
FRONTEND
AM
VSTABB
DET
FM
CONTROL
FILTER
AM
IF
AM
DET
STEREO
STEREO
FM
IF2
RIPPLE
AGC
STABILIZER
AFC
VDD
CTRL
AGC
A
B
C
D
E
F
G
H
I
234567891011121314
123456
31576120
MW=HIGH
FM 75 OHM
PROGRAMMABLE
OUTPUT PORTS
FM-IF2
LW
VERSION DETECTION
FM-IF1
7
I
7 8 9 10 11 12 13 14
A
B
C
D
E
F
G
H
from
kHz
3170
BUFFER AMPLIFIER
VCC
1
1
2
LEGEND
* ... only assembled in FM/AM-version SMD jumper
MW=HIGH
BIRDY FILTER
/00 /02 FM/MW
/00 /02 FM/MW/LW
2169
/ SYSTEMS-CENELEC
STEREO
3
450kHz
AM-IF2
3156
RIGHT
MW
LW only
450kHz
DISCRIMINATOR
AM-AFC
AM-IF1
8
/01 FM/MW
6105
6
LW only
LW =HIGH
VERSION PROGRAMMING COMPONENTS
marked components not for LW version
MW/LW-RF
VCO
RDS only
MPX
to/from
GND
from 7101/39
LEFT
/17 FM/AM
to 1120
HN1V02H
VERSION
/14 FM-OIRT/MW
450kHz
LW=HIGH
TUNER BOARD ECO6
pin 5
54
LW ... for LW version only
MW
ENABLE/MPX
LW
component mounted
7111
AM-OSCILLATOR
CLOCK
DATA
AM FRAME AERIAL
p ...for provision only
USA ... for USA version only
2166
1n
T117
4
IF-OUT
7
910
8
OSC.
OUT
V
5
VCC
6
150K
3169
1110
FE450
ANT
1
23
T110
3168
T115
T109
3161
22K
120R
2130
22n
3142
100K
22u
2162
2137
220n
2123
390p
6
78
T106
T121
5103
1
2
3
4
T140
T118
T114
BC337-40
7105
T113
7124
100u
2129
68K
3151
BC847C
220p
2146
HN1V02H
6105-1
1
2
7
2K2
3128
2190
100n
0R
4102
*
3159
470R
YKD31-
0432
1
2
470R
3160
2149
33p
1102
1103
XH-S
1
2
22
VCC2
9
VCO
23
VDD
38
VSTABA
VSTABB
34
29
WRITE-EN
25
470n
2131
IF-GND
14
LEFT
12
LPF
24
11
MPX-IN
13
MUTE
43
NC
30
P0
31
P1
16
PILOT
4
RF-GND1
42
RF-GND2
15
RIGHT
1
RIPPLE
7
VCC1
40
AM-MIXOUT
6
AM-OSC
2
AM-RF
39
AM|FM
27
CLOCK
28
DATA
26
DIG-GND
21
FIELDSTR-IND
18
FM-DEMOD
3
FM-GND
37
FM-IF1-IN
35
FM-IF2
33
FM-IF2-IN
5
FM-OSC
8
I-TUNE
17
TEA5762
7101
10
AF-OUT
20
AFC+
19
AFC-
44
AGC
32
AM-AFC
41
AM-IF1-IN
36
AM-IF2
2107
1u
56K
3141
BAS216
6106
22K
3134
7110
BC857B
6
7
8
2u2
2138
1120
FE-BT-VK-N
1
2
3
4
5
1
2
34
6
78
5111
22K
3143
470R
3158
2143
220n
T124
330R
3154
T123
T125
T111
3190
120R 120R
3191
BAS216
6120
1K
3144
100K
3156
2144
1u
47K
3171
3194
2K2
2132
470n
1132
C-PAD
2118
2p2
220R
3105
2161
100n
p
2141
100n
T105
3157
100K
2119
10p
2K2
3145
2120
18p
22p
LW
1
2
3
2124
10n
*
YKD21
1101
USA
T126
7122
BC847C
2109
10p
T116
2
34
6
78
1u
2133
5114
7P
1
3
6
22K
3137
22R
3146
HN1V02H
6105-2
5
2122
3n3
2159
33p
10u
2128
10K
3150
47R
3132
BC857C
7103
3172
5K6
2167
12p
DT-381
5121
75
T142
2147
220p
T104
BC857B
7109
2K2
3108
4K7
3123
T122
T120
T127
7112
BC547C
2134
22n
USA
22n
USA
C-PAD
1131
T141
2106
11p
20p_LW
0R
4104
*
0R
41xx
2165
100n
1130
C-PAD
10K
3180
2150
100n
BZX284-C11
6107
T102
2127
220n
2169
2n2
100K
3170
1
I
3
O
2125
560p
5109
2
G
470R
3152
2108
100p
3125
10K
3153
470R
330R
3193
T103
120R
3167
100R
3195
78
33K
3176
8
5122
1
2
34
6
5123
1
2
34
6
7
5110
G
2
I
1
O
3
5115
123
46
7
8
2
34
6
78
5119
1
2135
100n
2163
LW
7104
BC337-40
2145
220p
150R
3155
220n
2136
6
78
T112
T107
*
5102
7KL
1
2
34
5
3109
4K7
4101
0R
7111
BC847C
1
2
34
6
7
8
330R
3192
2n2
2148
5112
7P
470n
2164
ECO6 Sys-Cenelec, 010517
2140
82p
VCC1
VCC1
2139
15p
MPX
+FM
P0
P1
VDD
VDD
VCC2
VCC2
VCC1
MPX
P01
P1
P0
P01
P0
VDD VDD
AM/FM
+FM
AM/FM
P0
1101 A2
1102 B1
1103 E2
1110 B2
1120 E14
1130 A2
1131 C2
1132 F13
2102 B1
2105 A2
2106 E3
2107 E4
2108 G3
2109 G3
2118 H6
2119 H6
2120 H6
2122 I6
2123 H6
2124 H6
2125 H6
2127 E7
2128 B8
2129 C7
2130 F11
2131 F8
2132 F8
2133 F8
2134 I8
2135 I9
2136 H14
2137 H13
2138 F9
2139 G9
2140 G9
2141 F10
2143 G12
2144 G11
2145 E11
2146 E12
2147 E12
2148 E12
2149 H7
2150 A10
2159 D5
2161 C11
2162 H12
2163 D11
2164 G10
2165 C7
2166 E11
2167 E11
2169 G8
2180 C4
2190 C3
2191 C3
3105 D5
3108 D2
3109 G4
3123 H3
3125 H2
3128 H3
3130 I9
3131 I9
3132 G4
3134 H6
3135 E7
3137 H7
3141 E7
3142 E6
3143 G7
3144 G8
3145 F8
3146 G13
3150 H12
3151 H12
3152 G14
3153 G13
3154 F13
3155 G12
3156 C12
3157 D12
3158 E13
3159 D13
3160 D13
3161 D13
3167 F12
3168 F11
3169 E11
3170 D12
3171 G12
3172 G12
3176 H7
3180 I3
3190 B6
3191 B7
3192 B6
3193 B4
3194 C4
3195 C3
4101 E2
4102 F3
4104 H5
5102 E3
5103 F2
5109 B9
5110 B10
5111 A9
5112 A11
5114 B11
5115 E7
5118 G9
5119 G9
5121 E11
5122 H5
5123 G5
6105-1 E4
6105-2 G6
6106 D4
6107 G13
6120 C13
7101 C8
7103 H8
7104 D2
7105 F4
7109 H3
7110 H12
7111 C13
7112 G12
7122 H4
7124 H7
T102 B2
T103 B2
T104 B6
T105 E2
T106 E2
T107 C3
T109 D5
T110 D5
T111 E5
T112 F7
T113 A9
T114 B11
T116 F10
T117 F13
T118 G11
T120 F13
T121 F13
T122 E13
T123 E13
T124 G14
T125 F14
T126 F13
T127 F13
T140 F11
T141 F10
T142 F10
p
p
p
2191
100u
2102
100n
2105
USA
100n
5118
1nH
15n
15n
3131
820R
3130
820R
1K
3135
2180
10n
8.3V
7.5V
7.2V
9V
11V
8.2V
0.1V
1.2V
1.6-8V
5
1
A
3
2
D
C
4
...V MW mode
...V LW mode
voltages measured while
set is tuned to a strong transmitter
0.7V
0.7V
1.3V
0.7V
0V
7.4V
0V
7.5V
0.7V
0V
mono 4.8V
0V
0V
stereo 0.4V
7.5V
7.5V
1.4V
1.6-8V
0.1V
0V
0V
2V
0.2V
1.4V
1.4V
0.4V
0.7V
1.4V
1.4V
1.1V
0.7V
1.4V
0.6V
0.6V
0.8V
0.15V
...V FM mode stereo
EVM
V
B
8V
6.7V
8.3V
0.7V
0V
0V
0V
0.1V
0V
11V
2V
1.1V
1.1V
1V
1V
8.2V
7.8V
1.2V
0V
8.9V
12Vtyp
8.2V
mono 4.8V
stereo 0.2V
1.4V
0V
0V
0V
0V
0.1V
0V
0.7V
0.1V
0V
0.2V
(10-14V)
9.6V
12V
8.9V
8.2V
7.5V
8.3V
8.2V
0.8V
1.2V
0.7V
1.3V
1V
8.2V
7.8V
1-8V
0V
5V
0V
152kHz, 50mV
pp
stereo stereomono
Signal path
FM
AF - left/right
AM
MPX (Audio Frequency)
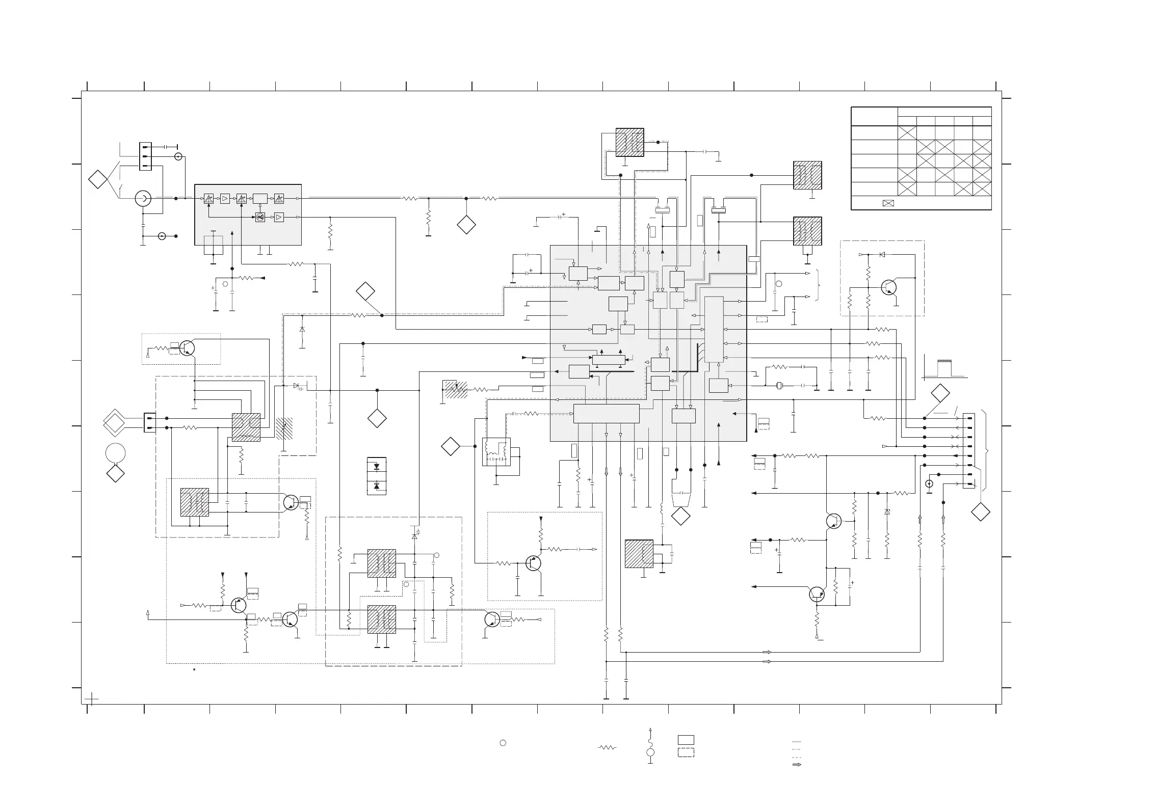
AM/FM Tuner Unit Schematic Diagram < AMP UNIT Section >
1-12-83
1-12-84
E9015SCT
www.freeservicemanuals.info
10/31/2012
www.nostatech.nl
World of free manuals

Other manuals for Philips MX5100VR

Related product manuals