EasyManua.ls Logo

Philips NN-SD681S - 10 Digital Programmer Circuit; Schematic Diagram (Nn-Sd681 S)

Philips NN-SD681S
42 pages
Print Icon
To Next Page IconTo Next Page
To Next Page IconTo Next Page
To Previous Page IconTo Previous Page
To Previous Page IconTo Previous Page
Loading...
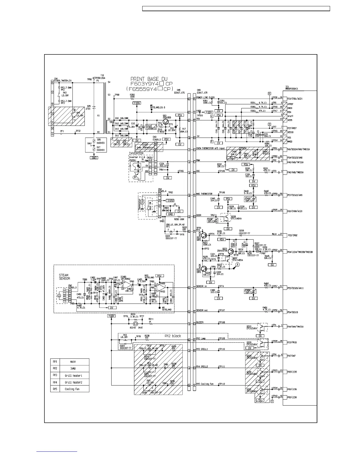
10 DIGITAL PROGRAMMER CIRCUIT
10.1. SCHEMATIC DIAGRAM (NN-SD681S)
37
NN-SD681S / NN-SN671S / NN-SN661S / NN-SA661S / NN-SA651S / NN-SN651B / NN-SN651W / NN-SA631B / NN-SA631W

Table of Contents

Related product manuals