EasyManua.ls Logo

Philips NN-SD681S - Schematic Diagram (Except Nn-Sd681 S)

Philips NN-SD681S
42 pages
Print Icon
To Next Page IconTo Next Page
To Next Page IconTo Next Page
To Previous Page IconTo Previous Page
To Previous Page IconTo Previous Page
Loading...
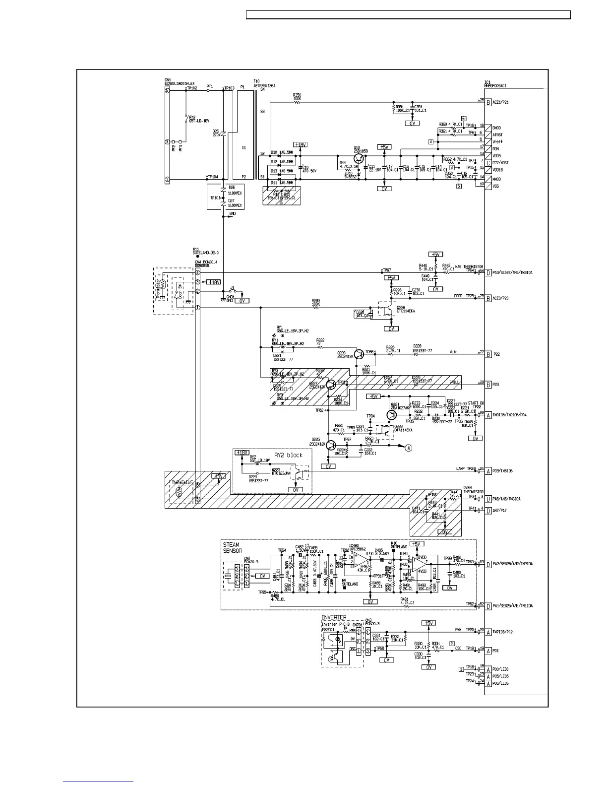
10.2. SCHEMATIC DIAGRAM (EXCEPT NN-SD681S)
39
NN-SD681S / NN-SN671S / NN-SN661S / NN-SA661S / NN-SA651S / NN-SN651B / NN-SN651W / NN-SA631B / NN-SA631W

Table of Contents

Related product manuals