EasyManua.ls Logo

Philips PM 5326 - Page 95

Philips PM 5326
138 pages
Print Icon
To Next Page IconTo Next Page
To Next Page IconTo Next Page
To Previous Page IconTo Previous Page
To Previous Page IconTo Previous Page
Loading...
reference oscillator
0.5
-
1.25
MHz
FREQUENCY
RF FREQUENCY RANGE
LHigh?
gate enabled
I
,
I
.
I
I
0.25
-
0.5
.J
I
411
0.5
-
1
.L
UNIT
6:
sw~tch
array
.I
I
XI
I
UNlT
3
:
time
base
RFFREOUENCY RANGE
I
UNlT
2
:
display
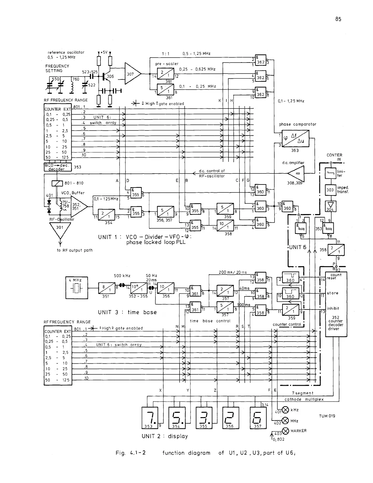
Fig.
L.1-2
function
diagram
TUM
019
3
56
3
57
&
MARKER
'IG,
a02
of
U1,
U2
,
U3,
part
of
U6;

Related product manuals