EasyManua.ls Logo

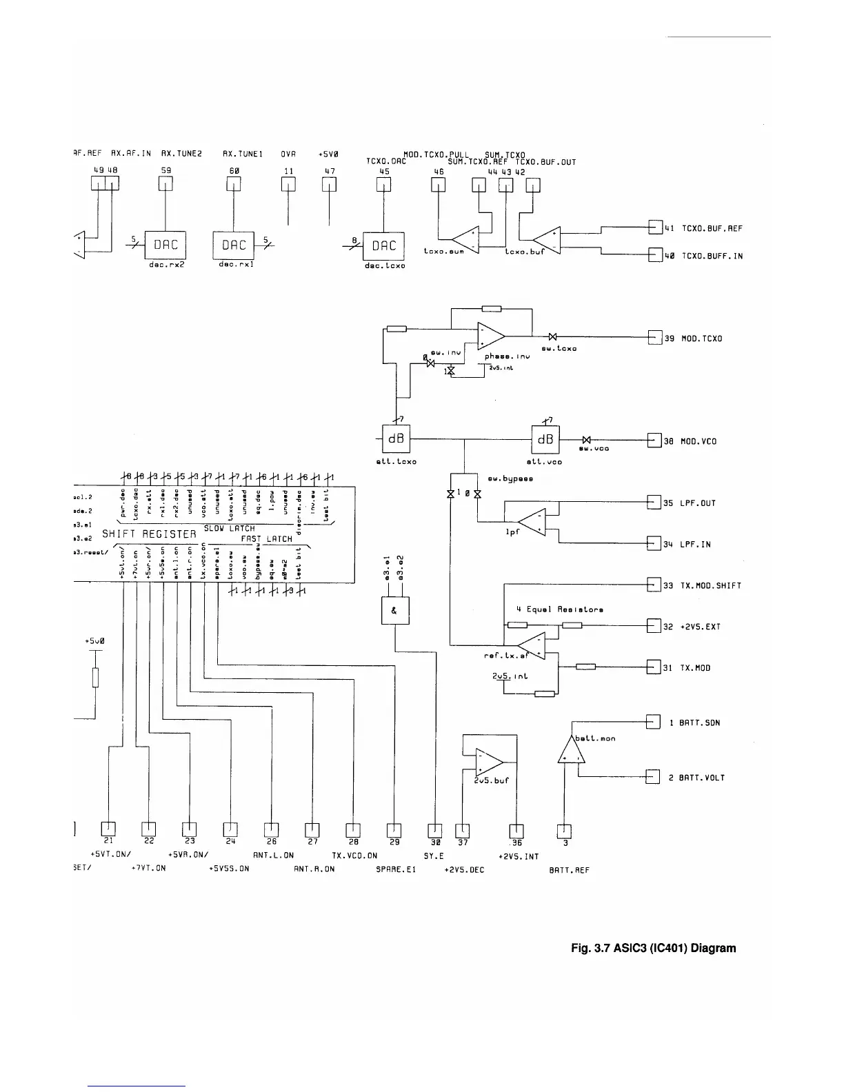
Philips PRP73 - ASIC3 (IC401) Diagram

Philips PRP73
177 pages
Print Icon
To Next Page IconTo Next Page
To Next Page IconTo Next Page
To Previous Page IconTo Previous Page
To Previous Page IconTo Previous Page
Loading...

Table of Contents

Related product manuals