EasyManua.ls Logo

Philips SW968 - Circuit Diagram

Philips SW968
8 pages
Print Icon
To Next Page IconTo Next Page
To Next Page IconTo Next Page
To Previous Page IconTo Previous Page
To Previous Page IconTo Previous Page
Loading...
Note : All capacitors are in µF unless otherwise specified.
All resistors are 1/6W 5% unless otherwise specified.
7
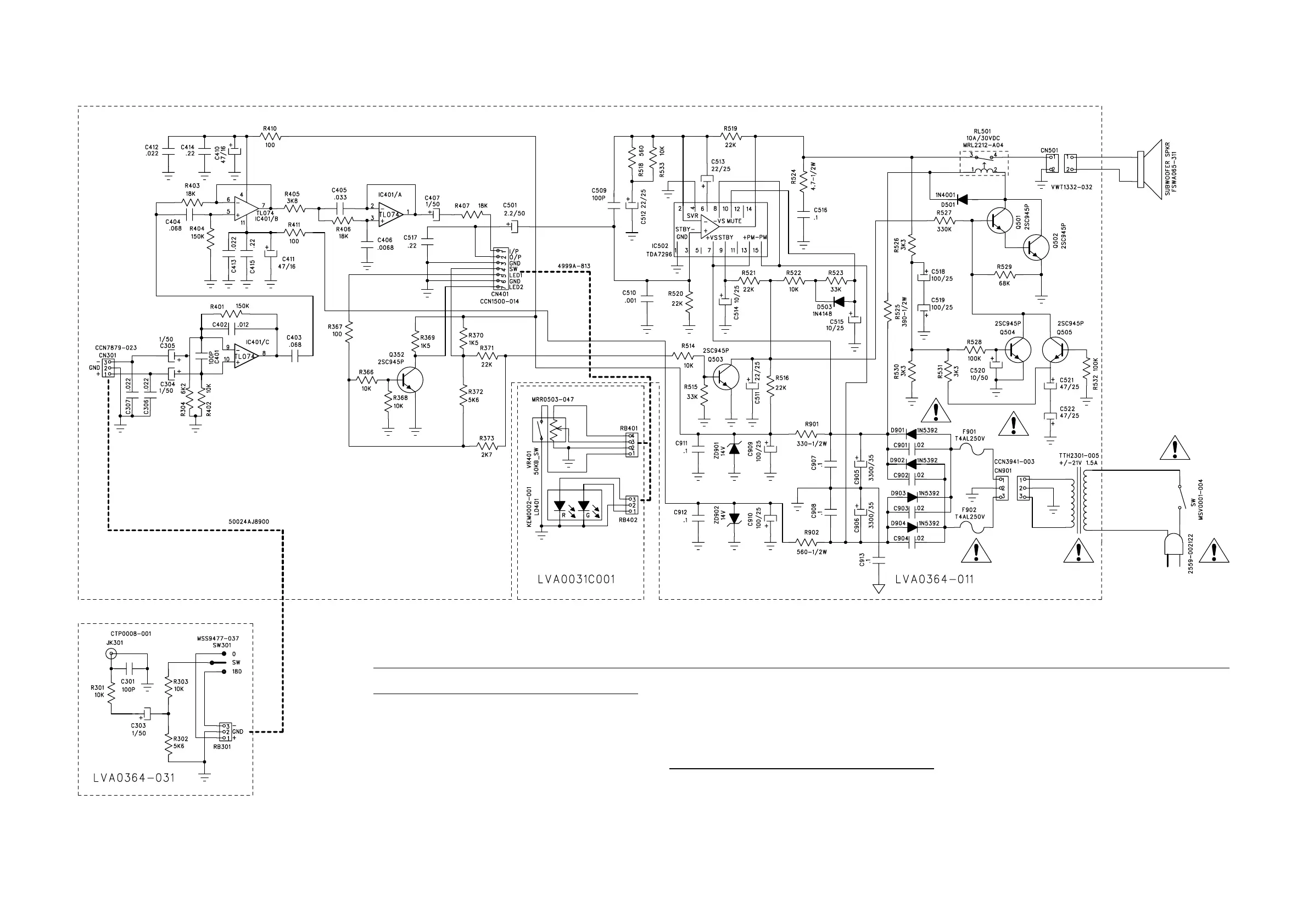
CIRCUIT DIAGRAM
7
ELECTRICAL PARTS LIST
DIODES
D501 4822 130 31438 1N4001G
D503 4822 130 30621 1N4148
D901 4822 130 31878 1N4003G
D901 5322 130 80686 1N5392
D902 4822 130 31878 1N4003G
D902 5322 130 80686 1N5392
D903 4822 130 31878 1N4003G
D903 5322 130 80686 1N5392
D904 4822 130 31878 1N4003G
D904 5322 130 80686 1N5392
LD401 4822 130 10236 LED Green/Red
ZD901 4822 130 34195 BZX79-B13
ZD902 4822 130 34195 BZX79-B13
TRANSISTORS & INTEGRATED CIRCUITS
IC401 4822 209 32742 TL074CN
IC502 4822 209 16935 TDA7296
Q352 4822 130 41198 2SC945P
Q501 4822 130 41198 2SC945P
Q502 4822 130 41198 2SC945P
Q503 4822 130 41198 2SC945P
Q504 4822 130 41198 2SC945P
Q505 4822 130 41198 2SC945P
Note : Only the parts mentioned in this list are normal
service spare parts.
Some values may varies, see respective parts list for correct value.

Related product manuals