EasyManua.ls Logo

Philips TDA6107AJF - Block Diagram

Philips TDA6107AJF
16 pages
Print Icon
To Next Page IconTo Next Page
To Next Page IconTo Next Page
To Previous Page IconTo Previous Page
To Previous Page IconTo Previous Page
Loading...
9397 750 14728 © Koninklijke Philips Electronics N.V. 2005. All rights reserved.
Product data sheet Rev. 02 — 28 April 2005 2 of 16
Philips Semiconductors
TDA6107AJF
Triple video output amplifier
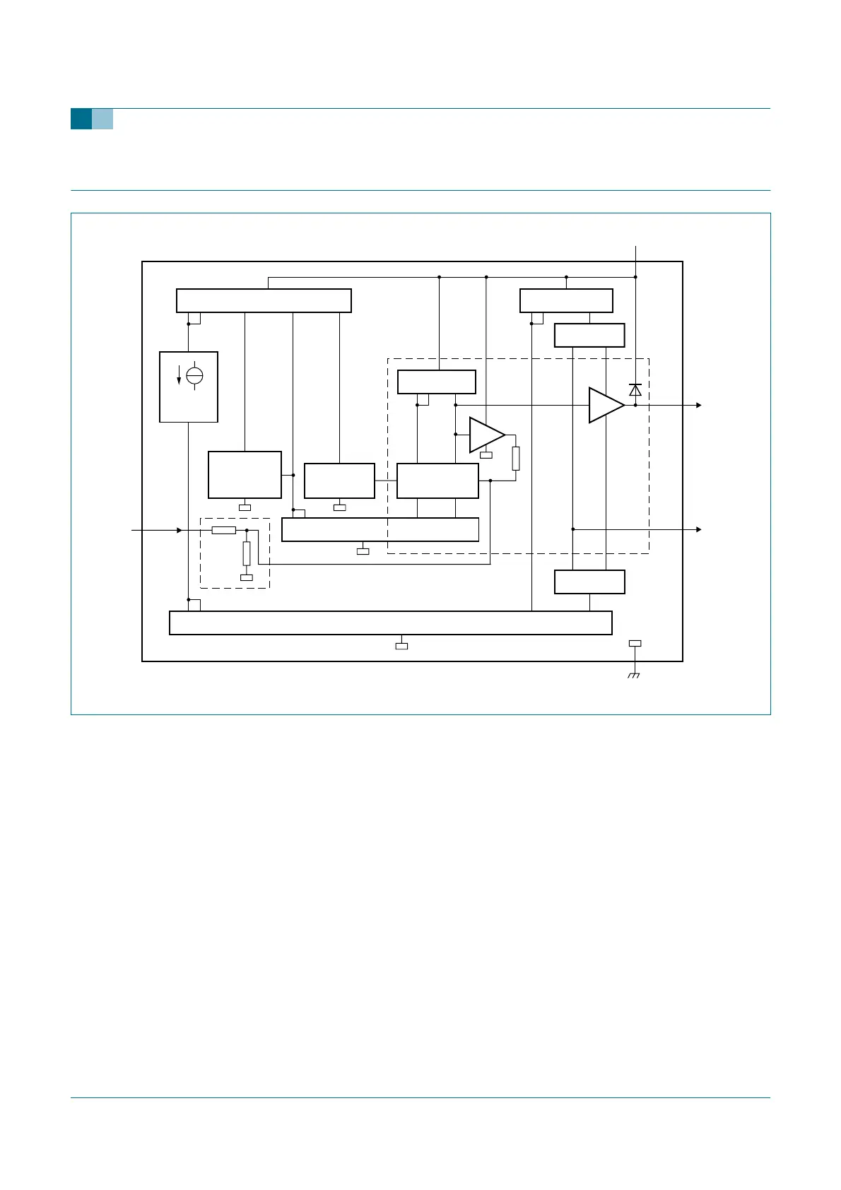
4. Block diagram
Fig 1. Block diagram (one amplifier shown)
mce457
TDA6107AJF
V
DD
6
1, 2, 3
4
9, 8, 7
V
oc(1)
,
V
oc(2)
,
V
oc(3)
5
I
om
R
f
MIRROR 5
DIFFERENTIAL
STAGE
VIP
REFERENCE
CURRENT
SOURCE
R
i
V
i(1)
,
V
i(2)
,
V
i(3)
R
a
3×
3×
CASCODE 1
CASCODE 2
MIRROR 2
1×
MIRROR 4
MIRROR 3
MIRROR 1
THERMAL
PROTECTION
CIRCUIT
1×

Related product manuals