EasyManua.ls Logo

Philips TDA6111Q - Block Diagram

Philips TDA6111Q
16 pages
Print Icon
To Next Page IconTo Next Page
To Next Page IconTo Next Page
To Previous Page IconTo Previous Page
To Previous Page IconTo Previous Page
Loading...
1995 Feb 07 3
Philips Semiconductors Preliminary specification
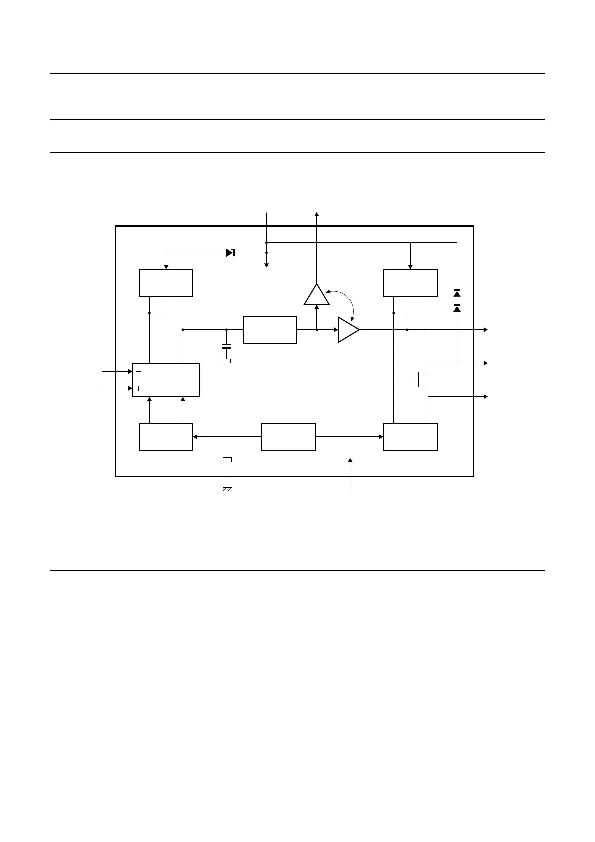
Video output amplifier TDA6111Q
BLOCK DIAGRAM
Fig.1 Block diagram.
handbook, full pagewidth
DIFFERENTIAL
STAGE
MIRROR
MIRROR
CURRENT
SOURCE
MIRROR
MIRROR
TDA6111Q
7 V
supply voltage
input HIGH
feedback
output
6
V
bias
FOLLOWERS
C
par
9
non-inverting
input
inverting
input
3
1
42
ground
(substrate)
supply voltage
input LOW
7
8
5
cathode
transient
output
cathode
DC output
black current
measurement
output
MGA058

Related product manuals