EasyManua.ls Logo

Philips TDA8560Q - Block Diagram

Philips TDA8560Q
16 pages
Print Icon
To Next Page IconTo Next Page
To Next Page IconTo Next Page
To Previous Page IconTo Previous Page
To Previous Page IconTo Previous Page
Loading...
1996 Jan 08 3
Philips Semiconductors Product specification
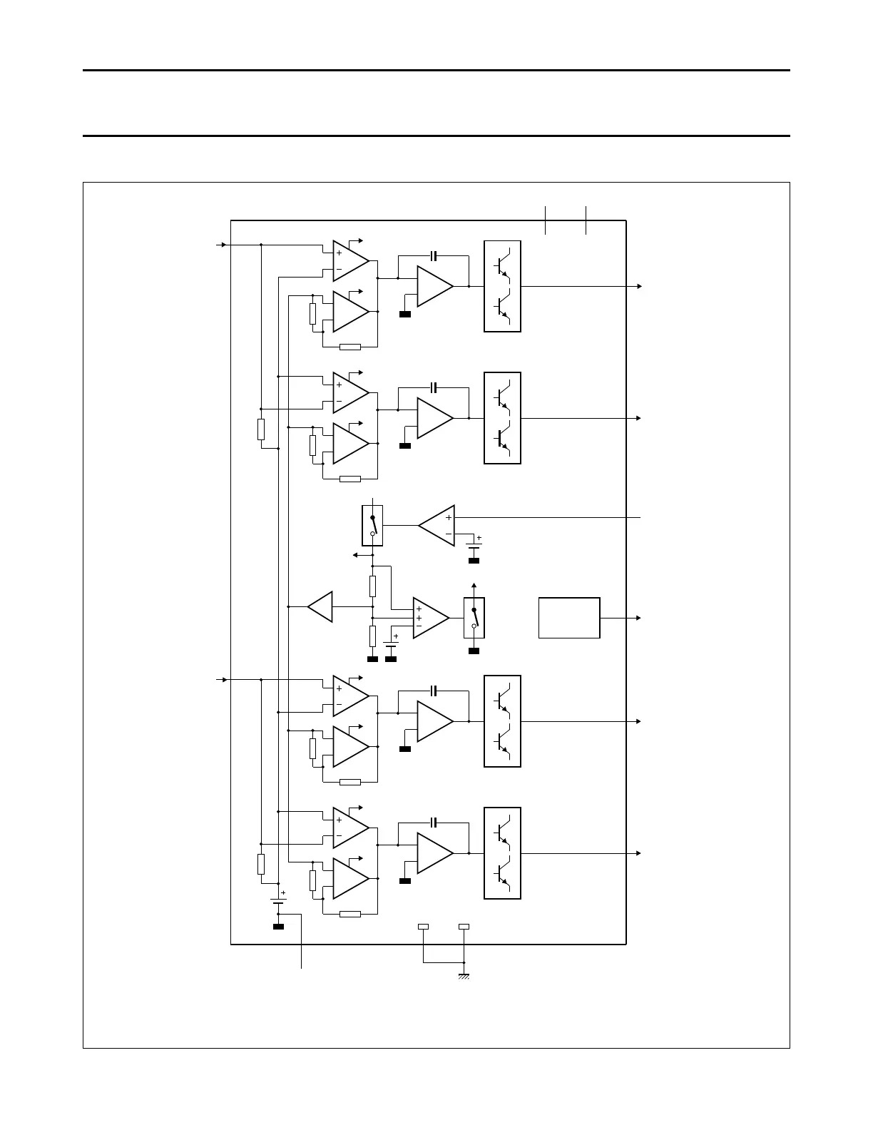
2 × 40 W/2 stereo BTL car radio
power amplifier with diagnostic facility
TDA8560Q
BLOCK DIAGRAM
Fig.1 Block diagram.
mode switch
MEA856 - 1
output 1A
15 k
15 k
x1
VA
stand-by
switch
V
P
mute
switch
stand-by
reference
voltage
PROTECTIONS
Load dump
Soar
Thermal
Short - circuit
Reverse polarity
3
10
V
P1
V
P2
18 k
365
mute switch
VA
C
m
power stage
18 k
mute switch
VA
C
m
power stage
30
k
4
6
11
18 k
mute switch
VA
C
m
power stage
18 k
mute switch
VA
C
m
power stage
30
k
9
7
258
ground (signal)
GND1 GND2
power ground (substrate)
output 2B
output 2A
output 1B
input 1
input 2
13
1
TDA8560Q
mute
reference
voltage
input
reference
voltage
365
365
365
12 diagnostic
output
DIAGNOSTIC
INTERFACE

Related product manuals