EasyManua.ls Logo

Philips VR540/39 - Page 22

Philips VR540/39
57 pages
Print Icon
To Next Page IconTo Next Page
To Next Page IconTo Next Page
To Previous Page IconTo Previous Page
To Previous Page IconTo Previous Page
Loading...
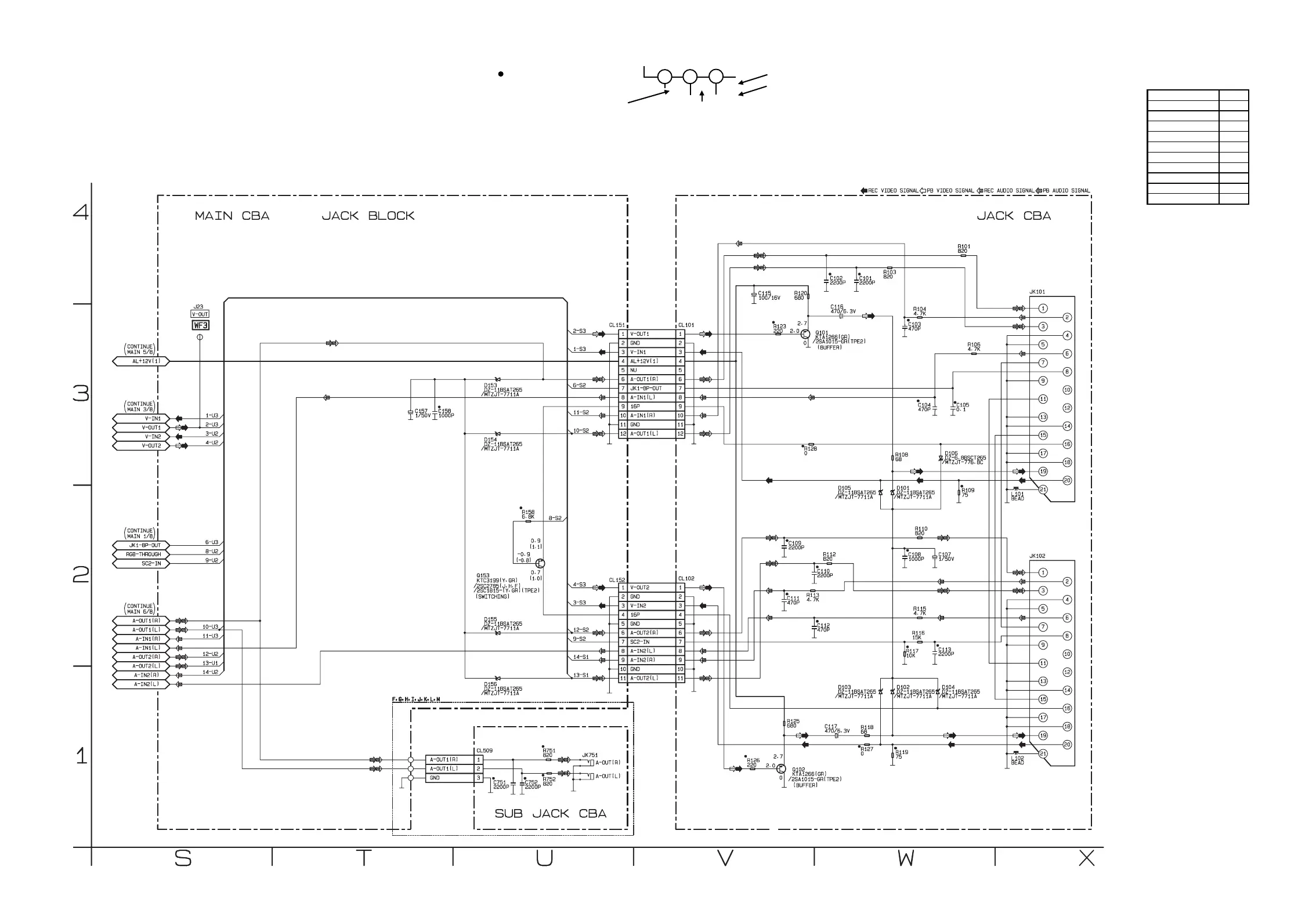
Main 4/8 & Jack & Sub Jack Schematic Diagram
1-10-40
1-10-41
HE473SCM4
THE SAME VOLTAGE FOR
BOTH PLAY & REC MODES.
INDICATES THAT THE VOLTAGE
IS NOT CONSISTENT HERE.
MODE: SP/REC
PLAY MODE
REC MODE
1
2
3
5.0
5.0
(2.5)
~
ā€œ ā€œ = SMD
Comparison Chart of
Models and Marks
MODEL MARK
VR540/39 D
VR540/58 E
VR740/02 F
VR740/07 G
VR740/16 H
VR740/39 I
VR740/58 J
VR742/16 K
VR742/39 L
VR742/58 M

Related product manuals