EasyManua.ls Logo

Phoenix Gold Titanium DEQ COMP - Page 6

Phoenix Gold Titanium DEQ COMP
16 pages
Print Icon
To Next Page IconTo Next Page
To Next Page IconTo Next Page
To Previous Page IconTo Previous Page
To Previous Page IconTo Previous Page
Loading...
5
P H O E N I X G O L D I N T E R N A T I O N A L
+
-
+
+
-
-
-
-
+
+
+
+
TRIGGER
OUTPUT
USER SQ RTA SPL
power
ZX400
Ti
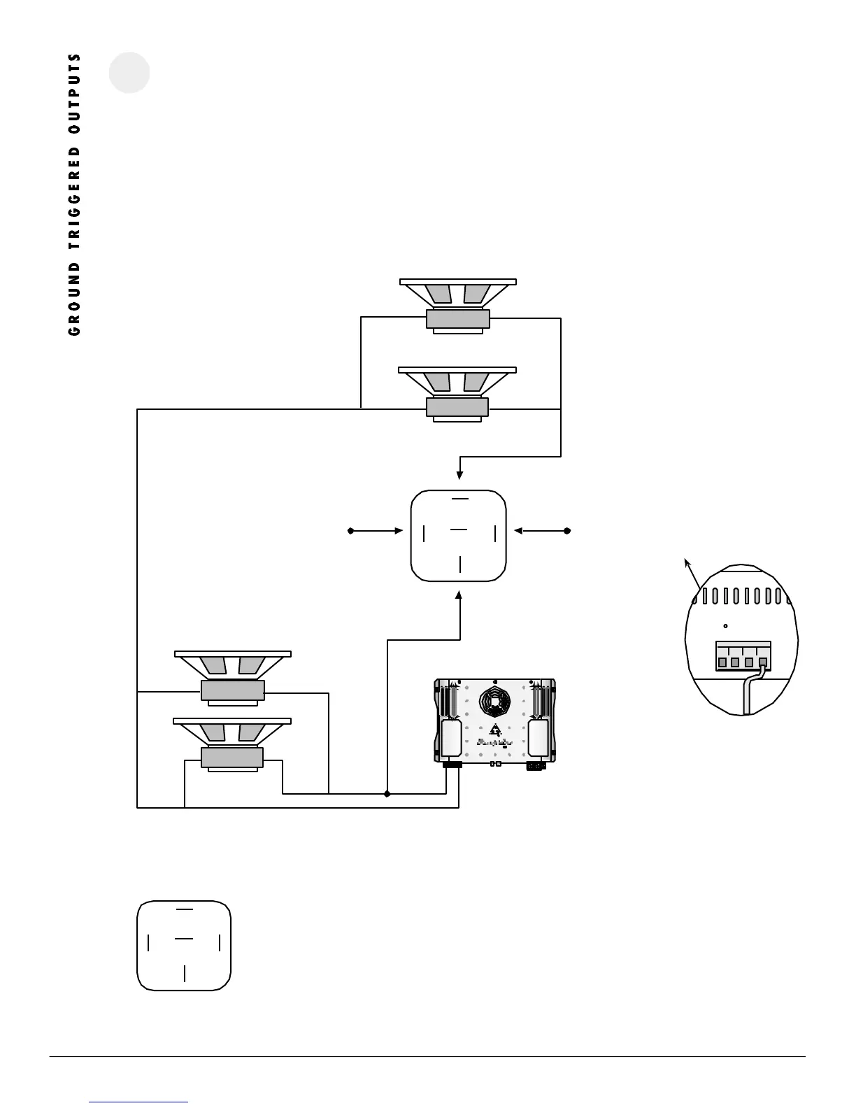
US ING G ROUND TRIGG ERE D OU TPUTS
Each time the preset is changed the corresponding output trigger will show ground. This can be used to wire relays that will only trigger when that preset is acti-
vated. The following example shows how to turn on extra subwoofers during the SPL portion of a competition. This is just one small example of what the trig-
gered output could be used for. The wiring options are limitless.
In the example below, when the SPL preset is selected the relay will be activated and wire the additional two subwoofers in parallel to the amplifier. When in
preset RTA, USER, or SQ the Titanium 400.2 is wired to two subwoofers in bridged mode using the Left Channel’s Positive (+) and the Right Channel’s Negative
(-). When in the SPL preset the two additional SPL Subwoofers are wired in parallel with the existing two regular subwoofers. Note: All subwoofers in this
example are 8 ohm models.
Additional SPL Subwoofers
The two subwoofers to the left are extra sub-
woofers that will be turned on when the SPL
preset is selected.
Pin 85
12 Volt Source
Regular Subwoofers
The two subwoofers below will always play
regardless of the preset selected.
Pin 86
SPLs (-) triggered output
terminal for the TIDEQ.
Pin 30
Amplifier’s Positive (+) Speaker terminal
REL AY PI N AS SI GN ME NT S:
Pin 85: 12 Volt Source
Pin 86: TiDEQ’s SPL (-) Triggered Output Terminal
Pin 30: Amplifier’s Positive Speaker Terminal
Pin 87: Speaker’s Positive Speaker Terminal
Pin 87a: Not Used
87a
87
86
30
85
87a
87
86
30
85
T i 4 0 0 . 2

Related product manuals