EasyManua.ls Logo

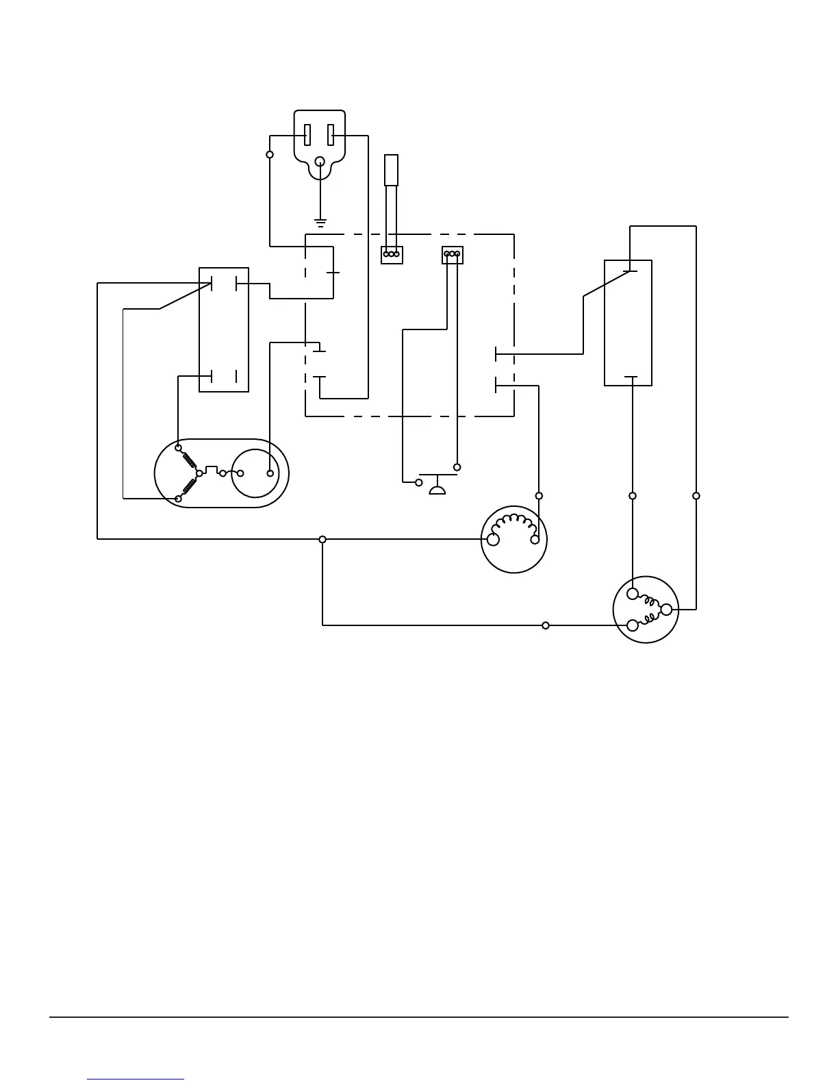
Phoenix R175 LGR - 7 Wiring Diagram

Phoenix R175 LGR
9 pages
Print Icon
To Next Page IconTo Next Page
To Next Page IconTo Next Page
To Previous Page IconTo Previous Page
To Previous Page IconTo Previous Page
Loading...
7
www.UsePhoenix.com • sales@UsePhoenix.comToll-Free 1-800-533-7533
BLU-14
RED-13
COMPRESSOR
BLOWER MOTOR
LEVEL
SWITCH
CONTROL
BOARD
THERMISTOR
CONDENSATE PUMP
WHT-10
GRN
BLK
WHT-2
YEL-9
YEL-8
RUN
CAPACITOR
RUN
CAPACITOR
BLK-3
YEL-7
E1
E3
E2
E5
E4
BLK-5
BRN-6
BLK-12
BLU-18
BLK-4
WHT
S
R
C
4026354 C
Figure 9: Wiring diagram
7 Wiring Diagram

Related product manuals