EasyManua.ls Logo

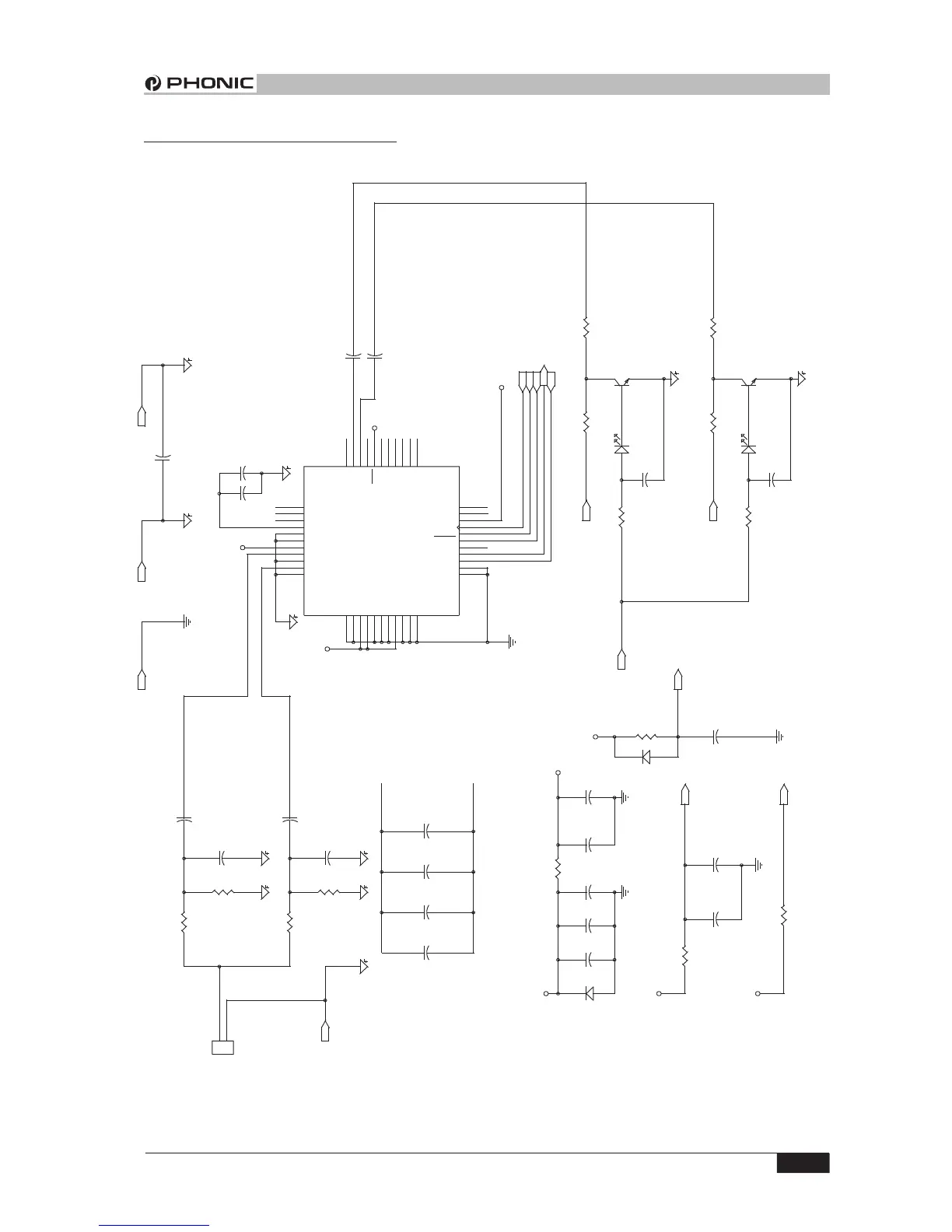
Phonic POWERPOD1860 - Effect DSP-1 Schematic

Phonic POWERPOD1860
62 pages
Print Icon
To Next Page IconTo Next Page
To Next Page IconTo Next Page
To Previous Page IconTo Previous Page
To Previous Page IconTo Previous Page
Loading...
VD
D+5V
D+5V
D+5V
VA
D+5V
VD
VD
VD
(JAMP)
EFFECT IN
PGND
G3
AIN_R
EFF_R
AIN_L EFF_L
EFF_R
D+5V
VD
MCLK
RESET_
SSYNC
SDOUT
SDIN
MUTE
RESET_
V++
PGND
PGND
VA
EFF_L
AGND3
PGND
PGND
DGND
PGND
PGND
PGND
PGND
DGND
PGND
PGND
PGND
C10
0.1uF
C11
0.1uF
C12
0.1uF
L1
0
C15
0.1uF
R11
10K
R12
10
C17
0.1uF
R13
1K
Q3
2SC2878
Q4
2SC2878
BC2
0.1uF
BC3
0.1uF
BC4
0.1uF
BC5
0.1uF
R28
10K
R29
10K
D5
1N4148
CR1
1N4148
R27
2K2
R26
1.5K
C23
0.01uF
C21
0.01uF
R24
1.5K
+
C22
4.7u/50V
+
C24
4.7u/50V
+
C25 4.7u/50V
+
C26 4.7u/50V
+
C9
10u/25V
+
C16
22u/25V
+
C13
22u/25V
+
C14
22u/25V
+
C18
4.7u/50V
CN111
HEADER 2
1
2
R18
1K
R14
1K
R19
1K
R16
1K
U2
CS4218
SMODE1
29
SFS2
30
SFS1
31
SMODE2
32
DI1
33
DI2
34
DI3/F3
35
DI4/MA
36
DO1
37
DO2
38
DO3/F2
39
DO4/F1
40
GND
41
SDIN
42
SDOUT
43
SCLK
44
SSYNC
1
RESET
2
CLKIN
3
VD
4
DGND
5
N.C.
6
N.C.
7
N.C.
8
N.C.
9
N.C.
10
N.C.
11
N.C.
12
PDN
13
N.C.
14
R_OUT
15
L_OUT
16
N.C.
17
N.C.
18
N.C.
19
REFBUF
20
REFBYP
21
REFGND
22
AGND
23
VA
24
RIN1
25
RIN2
26
LIN1
27
LIN2
28
D6
LED
D7
LED
+
C19
10u/25V
+
C20
10u/25V
C32
0.01uF
R25
2K2
RESET_
MCLK
RESET_
SSYNC
SDOUT
SDIN
VA
DGND
V++
MUTE
PGND
EFFECT L_O
EFFECT R_O
AGND3 PGND
Page33
PHONIC CORPORATION
POWERPOD 1860 SERVICE MANUAL
EFFECT DSP- 1 SCHEMATIC
EFFECT DSP PCB

Related product manuals