EasyManua.ls Logo

Phonic POWERPOD1860 - Page 48

Phonic POWERPOD1860
62 pages
Print Icon
To Next Page IconTo Next Page
To Next Page IconTo Next Page
To Previous Page IconTo Previous Page
To Previous Page IconTo Previous Page
Loading...
G
D
S
+
G1
G2
G1
G2
G2
G3G3
G3G3
B
C
C
E
E
E
C
B
B
E
C
B
HS1
HS1
HS1
HS1
HS1
NOTE:HS1......LARGE HEATSINK
HS1
D
G
S
HS1
G3
G2
+
C512B
10u/16V
D509B
12V 1/2WD510B
1N4148
Q515B
RFP50N06
Q508B
JE802
Q504B
JE350
R523B
3K9
+
-
IC501B
MC34081
3
2
6
7
1
4
5
R519B
5K3 1%
R516B
1K
R512B
1K
C505B
220P
R525B 150K
C515B
18P/100V
R510B
10
R514B
3K9
R524B
100K
R530B
100K
D516B
1N4148
Q505B
2N5551
Q512B
2N5401
R508B
10K
R534B
10K
C506B
100P/200V
C510B
1n/50V
R517B
1K
R521B
820
VRP501B 470
1 3
2
Q513B
JE340
C518B
100P/200V
R542B
68
R541B
820
R506B
68
R505B
820
+
C501B
47u/100V
R501B
33
R543B
33
+
C521B
47u/100V
R511B
4.7 1/2W
R537B
4.7 1/2W
D507B
1N4148
Q507B
BC550
C509B
0.01u/50V
D51 1B
1N4004
R522B
20K
Q509B
BC560
D517B
1N4148
C517B
0.01u/50V
D513B
1N4004
R518B
2K2
R531B
2K2
Q503B
2SC2336BQ
R513B 2K2
R515B
100 1/2W
Q506B
2SC3264
R520B
0.1 5W
C504B
470P/200V
Q501B
RFP50N06
Q514B
2SA1006BQ
C520B
470P/200V
R536B 2K2
R533B
100 1/2W
Q511B
2SA1295
R529B
0.1 5W
R504B
51
Q502B
2SA1015Y
D501B
1N4148
R509B
10K
R507B
51
D506B
1N4148
R503B
15K 1/2W
+
C511B
100u/16V
D503B
1N4004
D514B
1N4004
R527B
15K 1/2W
+
C516B
100u/16V
D512B
8.2V 1/2W
R539B 51
Q516B
2SA1015Y
R540B
10K
R535B 330
Q510B
2SA1015Y
R528B
33K
R532B 10K
D515B
1N4935
D518B
LT6A04
D519B
1N4148
C519B
0.1u/100V
C522B
0.1u/100V
C503B
0.1U/100V
C513B
10u/16V NP
L501B
1uH
1 2
R544B
10 2W
R545B
10 2W
C523B
0.068U/100V
R547B
270K
C525B
390P/200V
R548B
18K
R538B
30K
C526B
1n/200V
D508B
LT6A04
C507B
0.1u/100V
C527B
3P
C528B
100P
D505B
1N4935
C524B
200P
+
C508B
100u/25V
+
C514B
100u/25V
R549B
2K2
R550B
2K2
D502B
6.8V 1/2W
R526B
20K
D520B
6.8V 1/2W
R502B
1K
C529B
100P
R/OUT
V+15V
V-15V
SR
LR1
LR2
VC1+(65V)
VD2-(40V)
VD1-(65V)
VC2+(40V)
Page48
PHONIC CORPORATION
POWERPOD 1860 SERVICE MANUAL
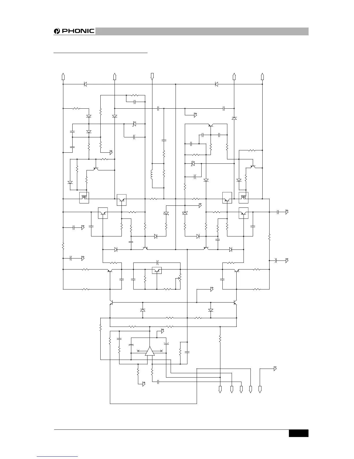
POWER AMP- 2 SCHEMATIC
POWER SUPPLY & POWER AMPLIFIER PCB

Related product manuals