EasyManua.ls Logo

Pioneer Eclipse PE420BU - Page 35

Pioneer Eclipse PE420BU
68 pages
Print Icon
To Next Page IconTo Next Page
To Next Page IconTo Next Page
To Previous Page IconTo Previous Page
To Previous Page IconTo Previous Page
Loading...
35
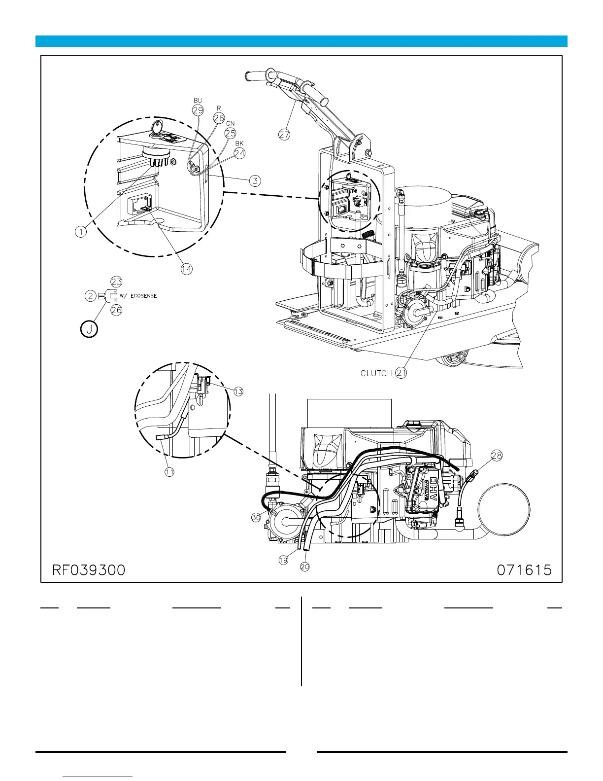
Connections (w/ Optional Clutch & EcoSense)
Item Ref. No. Description Qty
A MP402400 HARNESS, WIRING 1
B MP368400 WIRE, METER, HOUR 1
C MP368500 CABLE, BATTERY, NEG., 10” 1
D NB9545 NUT, 1/4” 1
E NB7282 CLAMP, HOSE 1
Item Ref. No. Description Qty
F SS2570 FUSE, 20A 1
G MP122100 HARNESS, WIRING, CLUTCH 1
H MP373000 WIRE, SENSOR, OXYGEN 1
J NB5516 TERMINAL ADAPTER 1

Table of Contents

Related product manuals