EasyManua.ls Logo

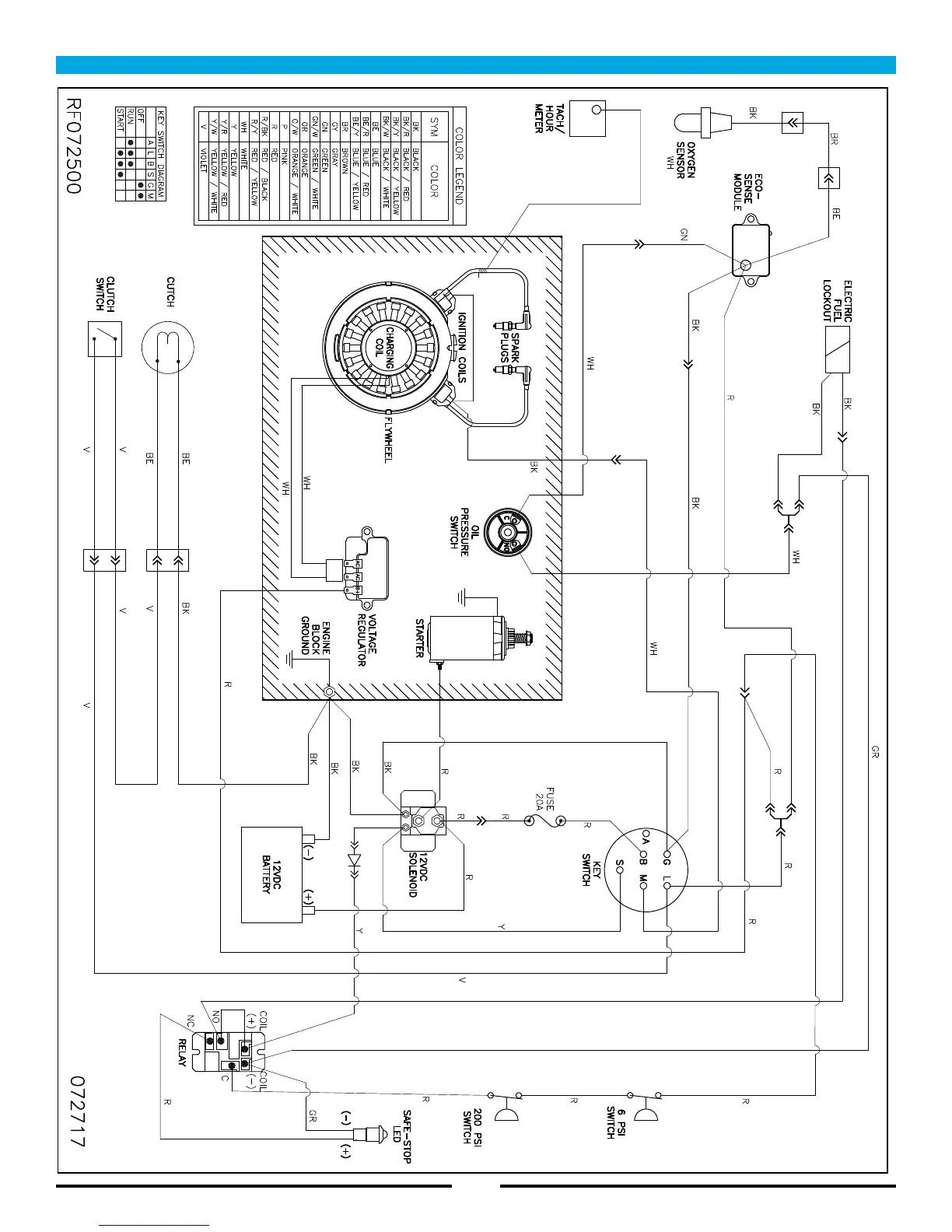
Pioneer Eclipse PE420BU - Electrical Schematic (w; Optional SafeStop)

Pioneer Eclipse PE420BU
68 pages
Print Icon
To Next Page IconTo Next Page
To Next Page IconTo Next Page
To Previous Page IconTo Previous Page
To Previous Page IconTo Previous Page
Loading...
36
Electrical Schematic (w/ Optional SafeStop)

Table of Contents

Related product manuals