EasyManua.ls Logo

Pioneer M-IS21 - SCHEMATIC DIAGRAM

Pioneer M-IS21
46 pages
Print Icon
To Next Page IconTo Next Page
To Next Page IconTo Next Page
To Previous Page IconTo Previous Page
To Previous Page IconTo Previous Page
Loading...
M-IS21
6
A
B
C
D
1
23
4
1234
AMP ASSY
(AWU7342)
B
POWER
SUPPLY
ASSY
(AWU7344)
C
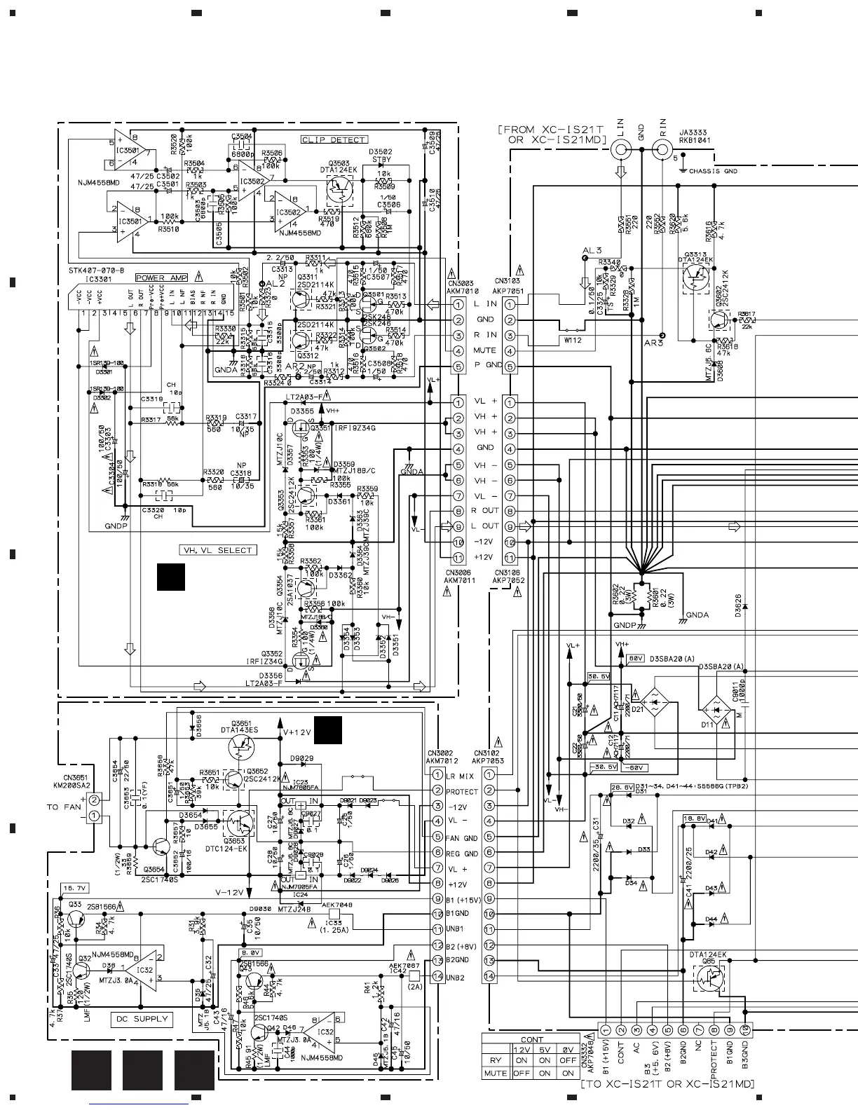
3. SCHEMATIC DIAGRAM
CBA
3.1 AF, AMP, POWER SUPPLY, PRIMARY, SECONDARY, HP, METER and METER
CONNECT ASSYS

Other manuals for Pioneer M-IS21

Related product manuals