EasyManua.ls Logo

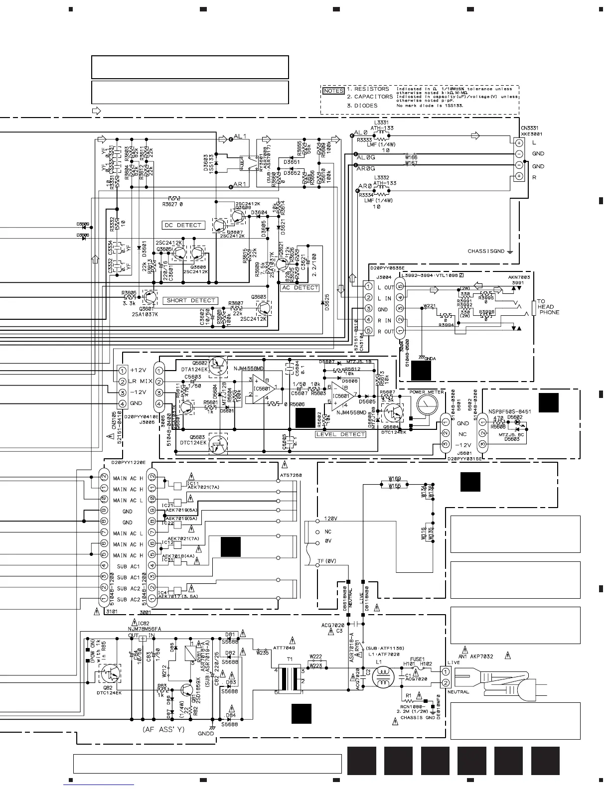
Pioneer M-IS21 - AF Assembly Schematic; HP Assembly Schematic; Meter Assembly Schematic; Meter Connect Assembly Schematic

Pioneer M-IS21
46 pages
Print Icon
To Next Page IconTo Next Page
To Next Page IconTo Next Page
To Previous Page IconTo Previous Page
To Previous Page IconTo Previous Page
Loading...
M-IS21
7
A
B
C
D
5
678
5
6
7
8
AF ASSY
(AWU7343)
A
PRIMARY
ASSY
(AWU7348)
D
SECONDARY
ASSY
(AWU7350)
E
HP ASSY (AWU7352)
F
METER
CONNECT
ASSY
(AWU7356)
H
METER ASSY (AWU7353)
G
: AUDIO SIGNAL ROUTE
NOTE FOR FUSE REPLACEMENT
FOR CONTINUED PROTECTION AGAINST RISK OF FIRE.
REPLACE WITH SAME TYPE AND RATINGS ONLY.
CAUTION -
CAUTION : FOR CONTINUED PROTECTION AGAINST RISK OF FIRE,
REPLACE ONLY WITH SAME TYPE NO. 4911.25, MFD BY
LITTELFUSE INK. FOR IC33 (AEK7048).
CAUTION : FOR CONTINUED PROTECTION AGAINST RISK OF FIRE,
REPLACE ONLY WITH SAME TYPE NO. 491002F, MFD BY
LITTELFUSE INK. FOR IC42 (AEK7067).
CAUTION :
FOR CONTINUED PROTECTION AGAINST
RISK OF FIRE, REPLACE ONLY WITH SAME
TYPE NO. 491004, MFD BY LITTELFUSE INK.
FOR IC31 (AEK7018).
CAUTION :
FOR CONTINUED PROTECTION AGAINST
RISK OF FIRE, REPLACE ONLY WITH SAME
TYPE NO. 491007, MFD BY LITTELFUSE INK.
FOR IC11, IC12 (AEK7021).
CAUTION :
FOR CONTINUED PROTECTION AGAINST
RISK OF FIRE, REPLACE ONLY WITH SAME
TYPE NO. 49103.5, MFD BY LITTELFUSE
INK. FOR IC41 (AEK7017).
CAUTION :
FOR CONTINUED PROTECTION AGAINST
RISK OF FIRE, REPLACE ONLY WITH SAME
TYPE NO. 491005, MFD BY LITTELFUSE INK.
FOR IC21, IC22 (AEK7019).
REK1067
(5A)
AC120V
AC POWER CORD
KUCXJ TYPE : XDG3007
Note : When ordering service parts, be sure to refer to "EXPLODED
VIEWS and PARTS LIST" or "PCB PARTS LIST"
HGFEDA

Other manuals for Pioneer M-IS21

Related product manuals