EasyManua.ls Logo

Pioneer PDP-503PE

Pioneer PDP-503PE
109 pages
To Next Page IconTo Next Page
To Next Page IconTo Next Page
To Previous Page IconTo Previous Page
To Previous Page IconTo Previous Page
Loading...
PDP-503PE, PDP-503PU
107
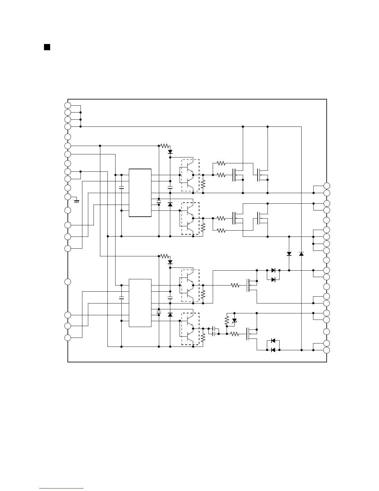
Block Diagram
STK795-460 (X DRIVE ASSY : IC3200, IC3201)
(Y DRIVE ASSY : IC2206, IC2214)
PDP Pulse Module IC
1
V SUS
2
V SUS
3
V SUS
4
V SUS
5
N.C.
8
N.C.
11
N.C.
VDD
IC1
C2
C1
C3
TR7
TR2
D2
D1
R14
R1
R2
HIN
SD
LIN
VSS LO
COM
VCC
VS
VB
HO
13
N.C.
17
N.C.
14
IN2
15
SD1
16
IN1
18
IN4
19
SD2
20
IN3
21
PL2
30
PL1
PL1
25
PC2
24
PC2
26
PC1
PC1
22
PL2
23
N.C.
31
N.C.
36
N.C.
34
POWER GND
35
POWER GND
33
POWER GND
32
POWER GND
28
N.C.
12
SUB GND
9
SIG GND
6
VCC
7
VDD
10
SIG GND
TR1
TR8
R4
R9
R10
R3
TR3 TR4
VDD
IC2
C5
C4
C6
TR9
TR5
TR6
D4
D3
R15
R5
D7
D5 D6
D8
D9
D10
HIN
SD
LIN
VSS LO
COM
VCC
VS
VB
HO
TR10
R12
R11
R6
ZD1
R13
C7
C8
27
29
38
OUT L
39
OUT H
40
OUT H
OUT L
37

Related product manuals