EasyManua.ls Logo

Pioneer PDP-503PE

Pioneer PDP-503PE
109 pages
To Next Page IconTo Next Page
To Next Page IconTo Next Page
To Previous Page IconTo Previous Page
To Previous Page IconTo Previous Page
Loading...
A
B
C
D
1
23
4
1234
30
PDP-503PE, PDP-503PU
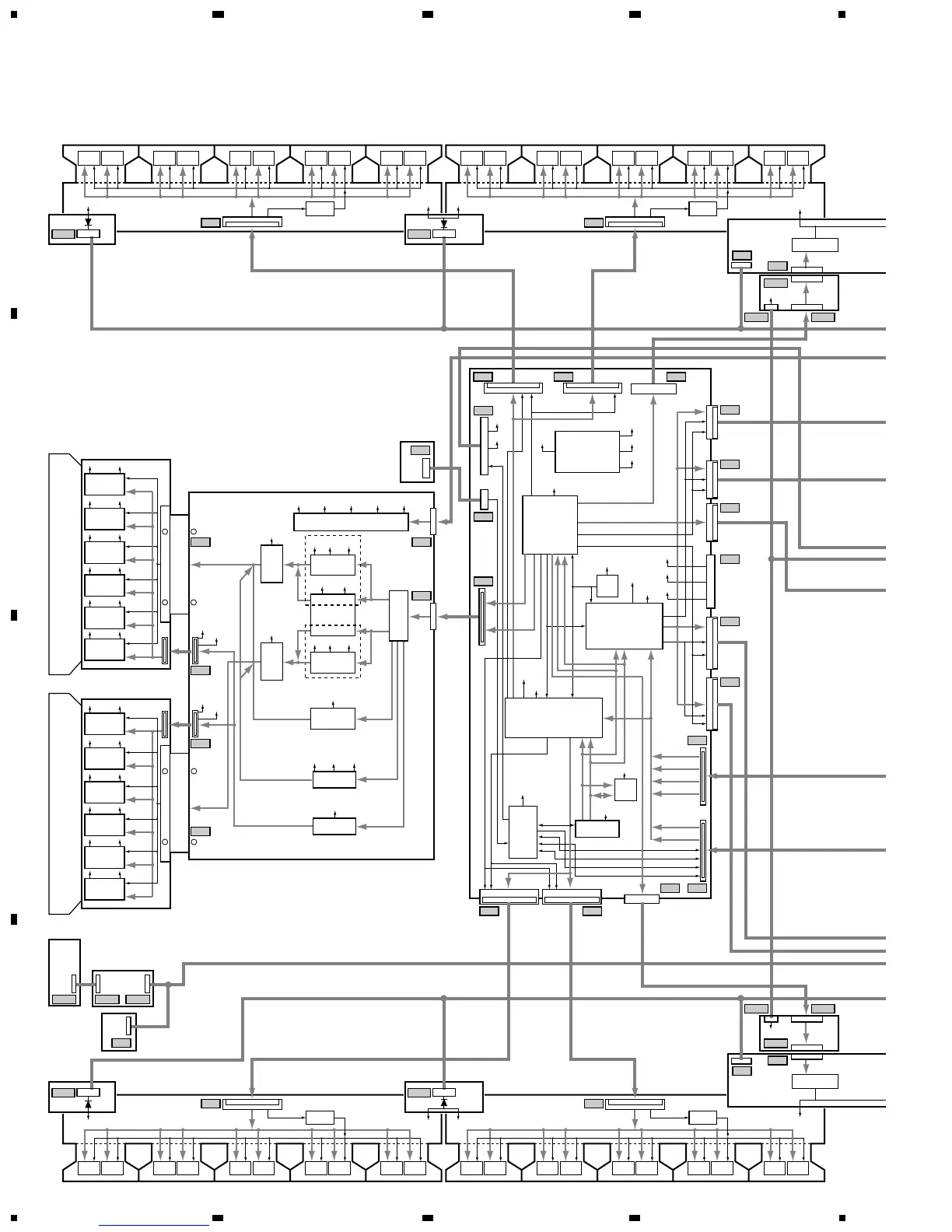
3. BLOCK DIAGRAM AND SCHEMATIC DIAGRAM
3.1 BLOCK DIAGRAM
3.1.1 OVERALL DIAGRAM
Driver
IC
Driver
IC
Driver
IC
Driver
IC
IC6501
Buffer IC
Driver
IC
Driver
IC
Driver
IC
Driver
IC
Driver
IC
Driver
IC
ADR CONNECT A
ASSY
AA1
Y4
Y1
Y2
D6
D18
D1
D8 D9 D16
D10
D11
D7
D4
D15
D14
D2
D3D17
D13D12
SW21 KL21 KL22
RE1
TE1
Y6
Y3
CLK/LE
CLAMP A
ASSY
CLA1
VADR2
Driver
IC
Driver
IC
Driver
IC
Driver
IC
IC6601
Buffer IC
Driver
IC
Driver
IC
Driver
IC
Driver
IC
Driver
IC
Driver
IC
ADR CONNECT B
ASSY
AB1
CLK/LE
VADR2
CLAMP
VADR2
BRIDGE A
ASSY
BGA1
CLAMP
ADR RESONANCE
ASSY
SUB ADDRESS A
ASSY
Q6706 - Q6711
VADR Gen.
K2
K1
SAA3
SAA1 SAA2
VADR2
ADR_CO
+60
Driver
IC
IC6201
ADD
SEL_PULSE
Driver
IC
Driver
IC
Driver
IC
IC6901
Buffer IC
Driver
IC
Driver
IC
Driver
IC
Driver
IC
Driver
IC
Driver
IC
ADR CONNECT D
ASSY
SCAN (B) ASSY
(UPPER)
Y DRIVE ASSY
DIGITAL VIDEO
ASSY
THERMAL
SENSOR
ASSY
AD1
CLK/LE
CLAMP C
ASSY
FRONT KEY
ASSY
FRONT KEY CONN
ASSY
IR (P)
ASSY
CLC1
VADR2
Driver
IC
Driver
IC
Driver
IC
Driver
IC
IC6801
Buffer IC
Driver
IC
Driver
IC
Driver
IC
Driver
IC
Driver
IC
Driver
IC
ADR CONNECT C
ASSY
AC1
CLK/LE
VADR2
CLAMP
VADR2
BRIDGE C
ASSY
BGC1
CLAMP
ADR RESONANCE
ASSY
SUB ADDRESS B
ASSY
Q6706 - Q6711
VADR Gen.
K2
K1
SAB3
SAB1 SAB2
VADR2
ADR_CO
+60
IC5
VCC_VH
PSUS
VCP
VC_VF+ VC_VF- V_OFS VCC_VH V_IC5V
V+3V_I
V+3V
V+3V_IC
V+2V_IC
V+2V_I
V+5V_STB
TXD/RX
I2
LED_SIG
RE
TXD0/RX0
V+3V
V+3V
BA2:9
PSUS
Y-SUS
MASK
Block
PSUS
IC6202
ADD
SEL_PULSE
IC5
VCC_VH
IC6203
ADD
SEL_PULSE
IC5
VCC_VH
IC6204
ADD
SEL_PULSE
IC5
VCC_VH
IC6205
ADD
SEL_PULSE
IC5
VCC_VH
IC6206
ADD
SEL_PULSE
IC5
VCC_VH
SCAN
IC6001
ADD
SEL_PULSE
SCAN (A) ASSY
(LOWER)
IC5
VCC_VH
PSUS
IC6002
ADD
SEL_PULSE
IC5
VCC_VH
IC6003
ADD
SEL_PULSE
IC5
VCC_VH
IC6004
ADD
SEL_PULSE
IC5
VCC_VH
IC6005
ADD
SEL_PULSE
IC5
VCC_VH
IC6006
ADD
SEL_PULSE
IC5
VCC_VH
SCAN
Y5
VCP
Y-SUS
MASK
Block
VCC_VH
V_IC5V
V_IC5V
V_IC5V
VCC_VH
Offset
Block
+5V +15V
V+5V
V+2V
V+3V
V+5V_STB
+12V
+12V
+12V
V+5V_STB
KL_U0:2
XDRV_SIG
ADL_LE_UL
ADL_LE_DL
YDRV_SIG
SCAN_SIG
V+3V
V+3V
V+2V
VSUS
IC2206
Pulse Module
DC/DC Conv.
Block
DC/DC Conv.
Module
Logic
Block
+5V +15V VSUS
IC2204
Pulse Module
IC120
Module
UCOM
IC1101
Panel UCOM
+15V
Drive
Signal
Drive
Signal
ADCLK_DR
+15V VSUS
+Reset Block
VC_VF+
Scan Signal
VC_VF- V_OFS
Soft-D
Block
IC119
Flash
ROM
RA2:9
RB2:9
BB2:9
GA2:9
GB2:9
IC1703
XY Drive
Sequence Pattern
Gen.
IC1401 (IC31 R)
Sub-Field Conv.
for Right with Field Memory
IC1301 (IC31 L)
Sub-Field Conv.
for Left with Field Memory
X180
Clock
Gen.
Photo Coupler
Block

Related product manuals