EasyManua.ls Logo

Pioneer RT-1020L - EQ Switch Circuit Assembly

Pioneer RT-1020L
64 pages
Print Icon
To Next Page IconTo Next Page
To Next Page IconTo Next Page
To Previous Page IconTo Previous Page
To Previous Page IconTo Previous Page
Loading...
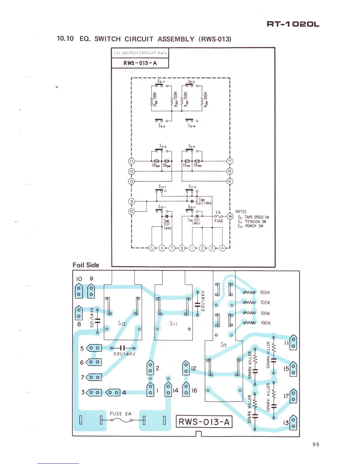
'10.
10
EO.
SWTTCH
C|RCUIT ASSEMBLY
(RWS-013)
Foil
Side
FIT-1
oeoL
Cmr
0.01
14KV
NOTES
ss
TAPE
SPEED
SW
Srr
TENSI0N
SIJ
Srz
POWER
SW
L-_
?A
55

Table of Contents

Other manuals for Pioneer RT-1020L

Related product manuals