EasyManua.ls Logo

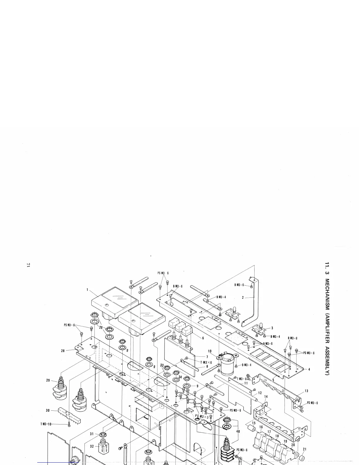
Pioneer RT-1020L - Mechanism (Amplifier Assembly)

Pioneer RT-1020L
64 pages
Print Icon
To Next Page IconTo Next Page
To Next Page IconTo Next Page
To Previous Page IconTo Previous Page
To Previous Page IconTo Previous Page
Loading...

Table of Contents

Other manuals for Pioneer RT-1020L

Related product manuals