EasyManua.ls Logo

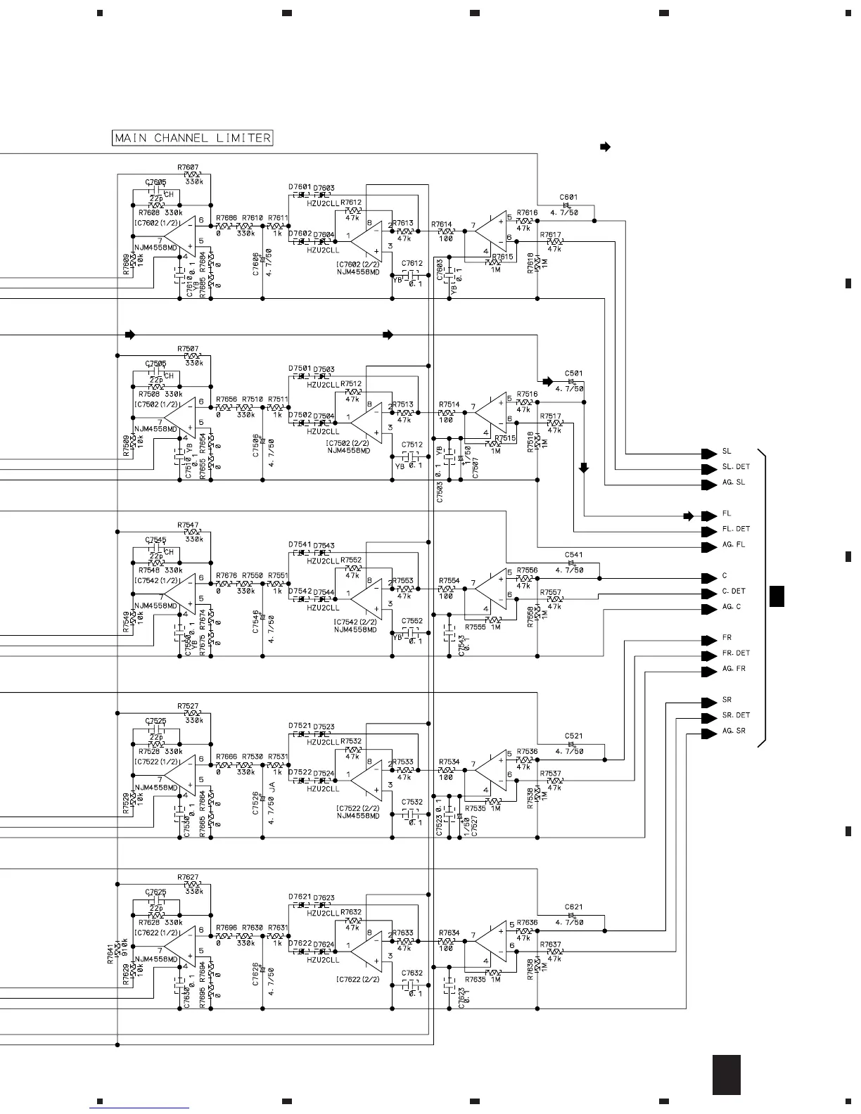
Pioneer VSA-E08 - MAIN CHANNEL LIMITER

Pioneer VSA-E08
28 pages
Print Icon
To Next Page IconTo Next Page
To Next Page IconTo Next Page
To Previous Page IconTo Previous Page
To Previous Page IconTo Previous Page
Loading...
VSA-E08
19
A
B
C
D
5
678
5
6
7
8
1/2F
E
IC7601 (2/2)
UPC4570G2
IC7501 (2/2)
UPC4570G2
IC7541 (2/2)
UPC4570G2
IC7521 (2/2)
UPC4570G2
IC7621 (2/2)
UPC4570G2
E
2/2
: AUDIO SIGNAL ROUTE

Other manuals for Pioneer VSA-E08

Related product manuals