EasyManua.ls Logo

Pioneer VSA-E08 - Page 21

Pioneer VSA-E08
28 pages
Print Icon
To Next Page IconTo Next Page
To Next Page IconTo Next Page
To Previous Page IconTo Previous Page
To Previous Page IconTo Previous Page
Loading...
VSA-E08
21
A
B
C
D
5
678
5
6
7
8
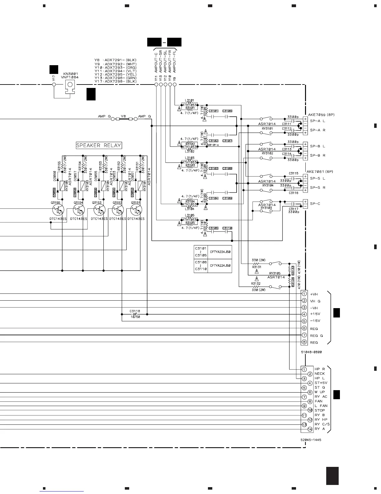
CN3101
3004
CN3003
CN3102
SP/PS ASSY
(AWX7690)
I
HA HE
L
F
M
F
M
F
CN5001
CN5002
F
L

Other manuals for Pioneer VSA-E08

Related product manuals