EasyManua.ls Logo

Piper OP-3 - Wiring Diagrams; OP-3 Standard Wiring

Piper OP-3
26 pages
Print Icon
To Next Page IconTo Next Page
To Next Page IconTo Next Page
To Previous Page IconTo Previous Page
To Previous Page IconTo Previous Page
Loading...
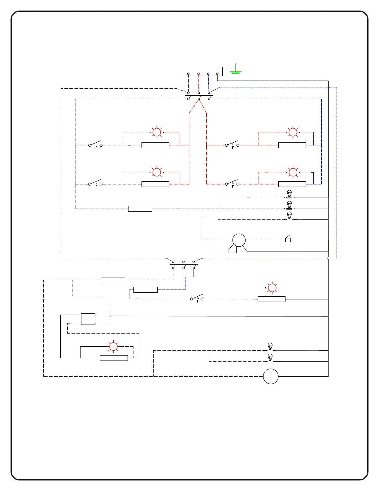
OP-3 WIRING DIAGRAM
19
SCALE:
N/A
DATE:
SALES #
REVISIONS
SHEET
DRAWN BY:
WIRING DIAGRAM
300 South 84th Ave.
WAUSAU, WI. 54401
PH. (715) 842-2724
FAX (715) 842-3125
www.piperonline.net
Travis N.
1
OP-3
04/14/2020
xxxxxxxxxx
PIPER
The Food-Focused Equipment Company
a
CFS
BRANDS company
L1
L2
L3
N
MAIN BLOCK
on
off
T1 T2
T3
1500 watts
A
B
timer
Buzzer
fan
20 Amps
750 watts
450*
PL
H1
L1
HC
L2
P
G
1500 watts
450*
1500 watts
450*
1500 watts
450*
on
off
T1 T2
T3
D
125*
PL
PL
PL
20 Amps
20 Amps
1250 watts
PL
PL
T2-T3
T2-T1

Related product manuals