EasyManua.ls Logo

Piper OP-3 - Wiring Diagrams; OP-3-SH Wiring

Piper OP-3
26 pages
Print Icon
To Next Page IconTo Next Page
To Next Page IconTo Next Page
To Previous Page IconTo Previous Page
To Previous Page IconTo Previous Page
Loading...
20
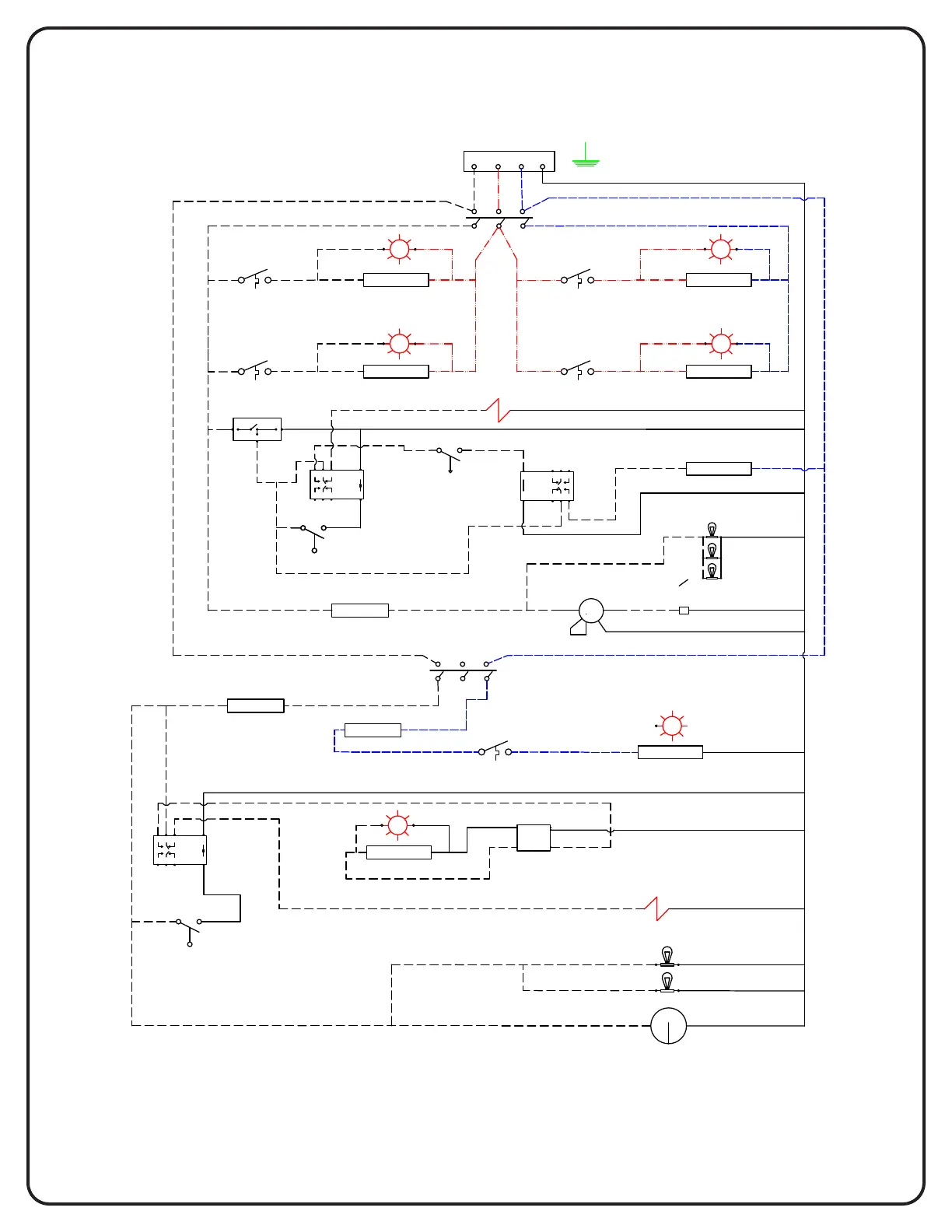
OP-3-SH WIRING DIAGRAM
SCALE:
N/A
DATE:
SALES #
REVISIONS
SHEET
DRAWN BY:
WIRING DIAGRAM
300 South 84th Ave.
WAUSAU, WI. 54401
PH. (715) 842-2724
FAX (715) 842-3125
www.piperonline.net
Travis N.
1
XXXXXXXXX
XXXXXXXX
xxxxxxxxxx
PIPER
The Food-Focused Equipment Company
a
CFS
BRANDS company
L1
L2
L3
N
MAIN BLOCK
on
off
T1
T2
T3
1500 watts
A
B
timer
Buzzer
fan
20 amp
750 watts
450*
PL
H1
L1
HC
L2
P
G
1500 watts
450*
1500 watts
450*
1500 watts
450*
on
off
T1 T2
T3
D
125*
PL
PL
PL
20 amp
20 amp
750 watts
PL
PL
T2-T3
T2-T1
2 4 3 0
1786
float switch
32
1
rocker switch
timer switch
3000 watts
2 4 3 0
1786
water valve
2 4 3 0
1786
float switch
float switch
water valve

Related product manuals