EasyManua.ls Logo

PM-LUFT GOLD 2 - Control Card Wiring Diagram

Default Icon
22 pages
Print Icon
To Next Page IconTo Next Page
To Next Page IconTo Next Page
To Previous Page IconTo Previous Page
To Previous Page IconTo Previous Page
Loading...
7
GOLD 1-3 SK-GB -708
Right to make modifications without prior notice
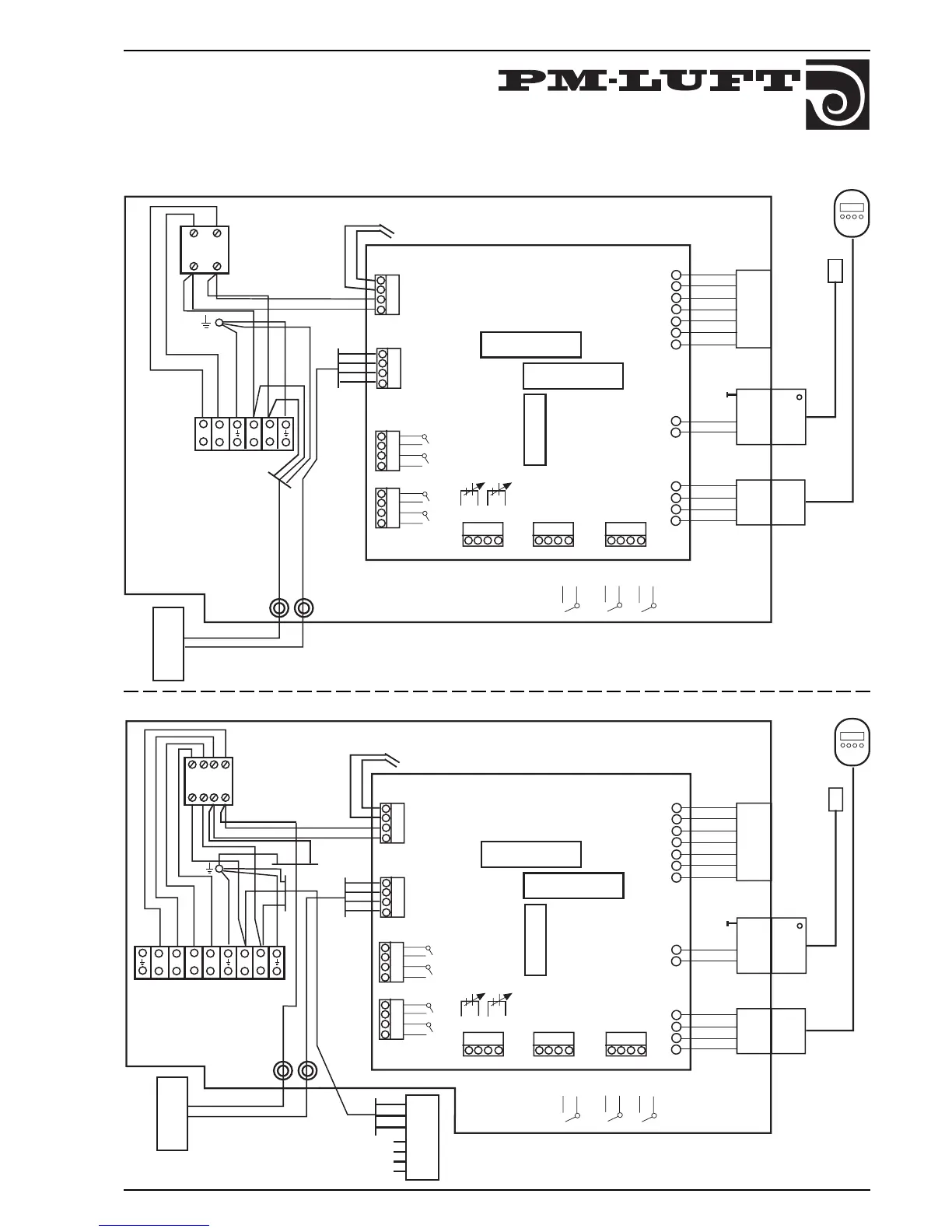
Size 1 and 2
Size 3
5. WIRING DIAGRAM CONTROL CARD
*GOLD* CONTROL CARD
CONNECTION
POSSIBLE
HEATER
SUPPLY AIR
SENSOR
-
+
-
+
DC-OUTPUT
FL TL
HIGH
LOW
FIRE
INPUT
STOP
UNIT
DISPLAY
COMMUNI-
CATION
DISPLAY
ALARM
OUTP. A
ALARM
OUTP. B
-
+
SUPPLY AND COMMUN-
ICATION POWER CARD
MAIN
SWITCH
N
Black
Red
Blue
Brown
White
Yellow
Green
1
7
6
5
4
3
2
Blue
Brown 4
3
Pin
2
1
Green
Yellow 2
1
White
Brown 4
3
1112 910 78563412
24
21
22
23
20
17
18
19
16
13
14
15
L
27 28
UNIT IN
OPER.
COOL.
UNIT
230 V
INPUT
GOLD-CPU
GOLD-PROG
GOLD-CONTROL
QUICK COUPLING
Brown
Blue
Yell/Green
Blue
Brown
Yellow
Green
Blue
Brown
Brown
White
24
21
22
23
20
17
18
19
16
13
14
15
L1
27 28
2 x 230 V INPUT
L2N1 N2
Brown
Yell/G
Blue
Supply
SA fan
Black
Blue
Blue
Brown
Brown
Yellow
Green
Blue
Blue
Brown
Blue
Brown
White
Brown
Blue
Yell/Green
Yell/Green
-
+
-
+
-
+
1
7
6
5
4
3
2
4
3
2
1
2
1
4
3
GOLD-CPU
GOLD-PROG
GOLD-CONTROL
1112 910 78563412
Yell/Green
Yell/Green
*GOLD* CONTROL CARD
DC-OUTPUT
FL TL
DC-IN
SET VALUE
DISPL.
HIGH
LOW
FIRE
INPUT
STOP
UNIT
MAIN
SWITCH
Black
Red
Blue
Brown
White
Yellow
Green
Blue
Brown
Pin
Green
Yellow
White
Brown
ALARM
OUTP. A
ALARM
OUTP. B
SUPPLY AND COMMUN-
ICATION POWER CARD
UNIT IN
OPER.
COOL.
UNIT
QUICK COUPLING
CONNECTION
POSSIBLE
HEATER
SUPPLY AIR
SENSOR
DISPLAY
COMMUNI-
CATION
DISPLAY
Folio
Black
Black
Brown
Blue
Yell/Green
Folio
Black
Black
Brown
DC-IN
SET VALUE
DISPL.
28
25
26
27
28
25
26
27

Related product manuals