EasyManua.ls Logo

POLA HD38 - Installation Guide; Connecting Temperature Sensors; Line Connection; Contact Connections

POLA HD38
7 pages
Print Icon
To Previous Page IconTo Previous Page
To Previous Page IconTo Previous Page
Loading...
HD38
6 steps ventilation +thermoregulation
Handbook
SL 6.0
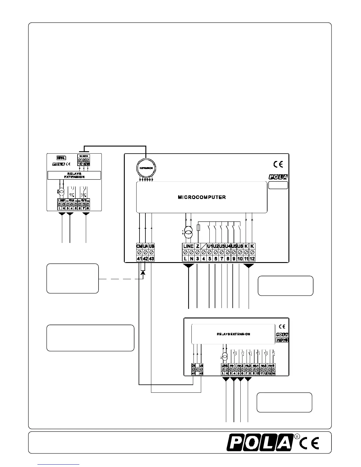
How to connect the sensors
Connect the sensor provided as shown in the diagram. For remote connections use a standard
0.5-square millimeter two-pole wire , taking great care over the connections, by insulating and sealing
the joins carefully.
-O.C.-
is displayed when the temperature sensor wiring is open,
-S.C.-
is displayed
when the temperature sensor wiring is short circuit.
How to connect the line
Connect line on terminals L-N.
How to connect the contacts
Output 3-4......13-14 contacts are N.O. (Normally Opened free of voltage) on wich is apliable a 4AMP
AC1 maximum load.
INSTALLATION
HD38
230V LINE
Common
Ventilation 1
Ventilation 2
Ventilation 3
Ventilation 4
Ventilation 5
Ventilation 6
SX temperat.
probe
N.O contacts (normally
opened free to voltage)
max 4AMP AC1.
For HD38/HDY6 connections
use a standard 0.5-square
millimeter two-pole.
230V LINE
HEAT
ALARM
TEMP
Warning: bridging
here (41-42) outputs
ventilation are
progressive (On-Off
regulation type).
HPAL DOTATION CABLE
N.O contacts (normally
opened free to voltage)
max 4AMP AC1.
230V LINE
Heat
Cool
Temp.alarm
981013
As it is company policy to continually improve the products the
Manufactures reserve the right to make any modifications thereto without
prior notice. They cannot be held for any damage due to malfunction.