EasyManua.ls Logo

Polon-Alfa IGNIS 2000 - Overall Diagram; Control Panel General Description

Default Icon
27 pages
Print Icon
To Next Page IconTo Next Page
To Next Page IconTo Next Page
To Previous Page IconTo Previous Page
To Previous Page IconTo Previous Page
Loading...
8 ID-E339-001GB
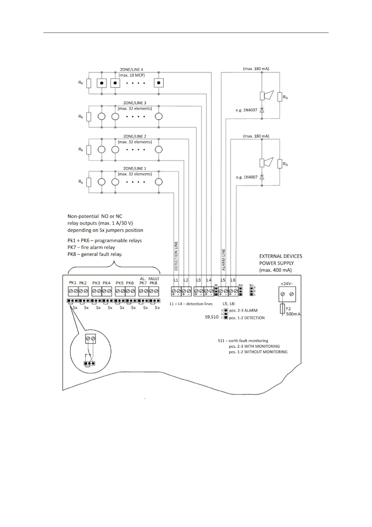
4.2 OVERALL DIAGRAM
Fig. 1 Overall diagram
4.3 CONTROL PANEL GENERAL DESCRIPTION
The control panel is intended for wall mounting. The front side is made in the form of a metal cover
plate with a rectangular window in which all handling and signalling elements are located as well as a
liquid crystal display. The cover plate can be removed after unfastening 4 screws. Cable bushings are
located in the casing upper part and they are intended to introduce alarm installation wires and
mains power supply conductors. Some space is also provided there to place spare cables. The

Related product manuals