EasyManua.ls Logo

Polyaire Zonemaster Unipoint - Configuration

Default Icon
20 pages
Print Icon
To Next Page IconTo Next Page
To Next Page IconTo Next Page
To Previous Page IconTo Previous Page
To Previous Page IconTo Previous Page
Loading...
Page 3
CONFIGURATION
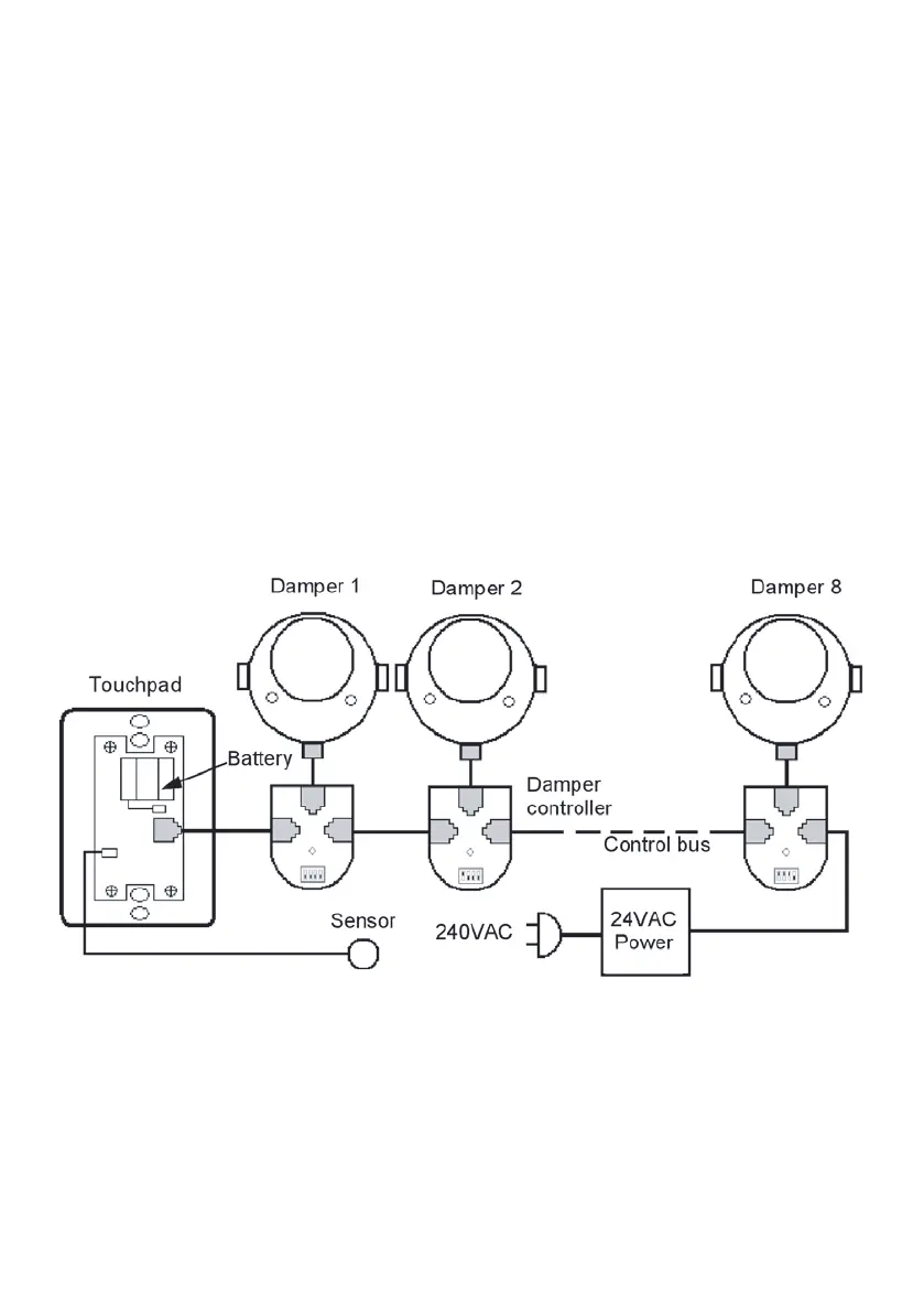
The cabling of the Zonemaster UniPoint is straightforward. One
connection is to connect the touchpad, dampers and power supply in
series via a control bus as shown on Figure 1.
Figure 2 shows another connection in which a double adaptor is used to
connect the touchpad in the middle of the control bus to save cables. The
installation procedure is detailed as follows.
Figure1.Wiringdiagram1

Related product manuals