EasyManua.ls Logo

Polytropic PAC 16 - Option R-PAC: Asservissement de la Pompe de Filtration

Polytropic PAC 16
Print Icon
To Next Page IconTo Next Page
To Next Page IconTo Next Page
To Previous Page IconTo Previous Page
To Previous Page IconTo Previous Page
Loading...
- 19 -
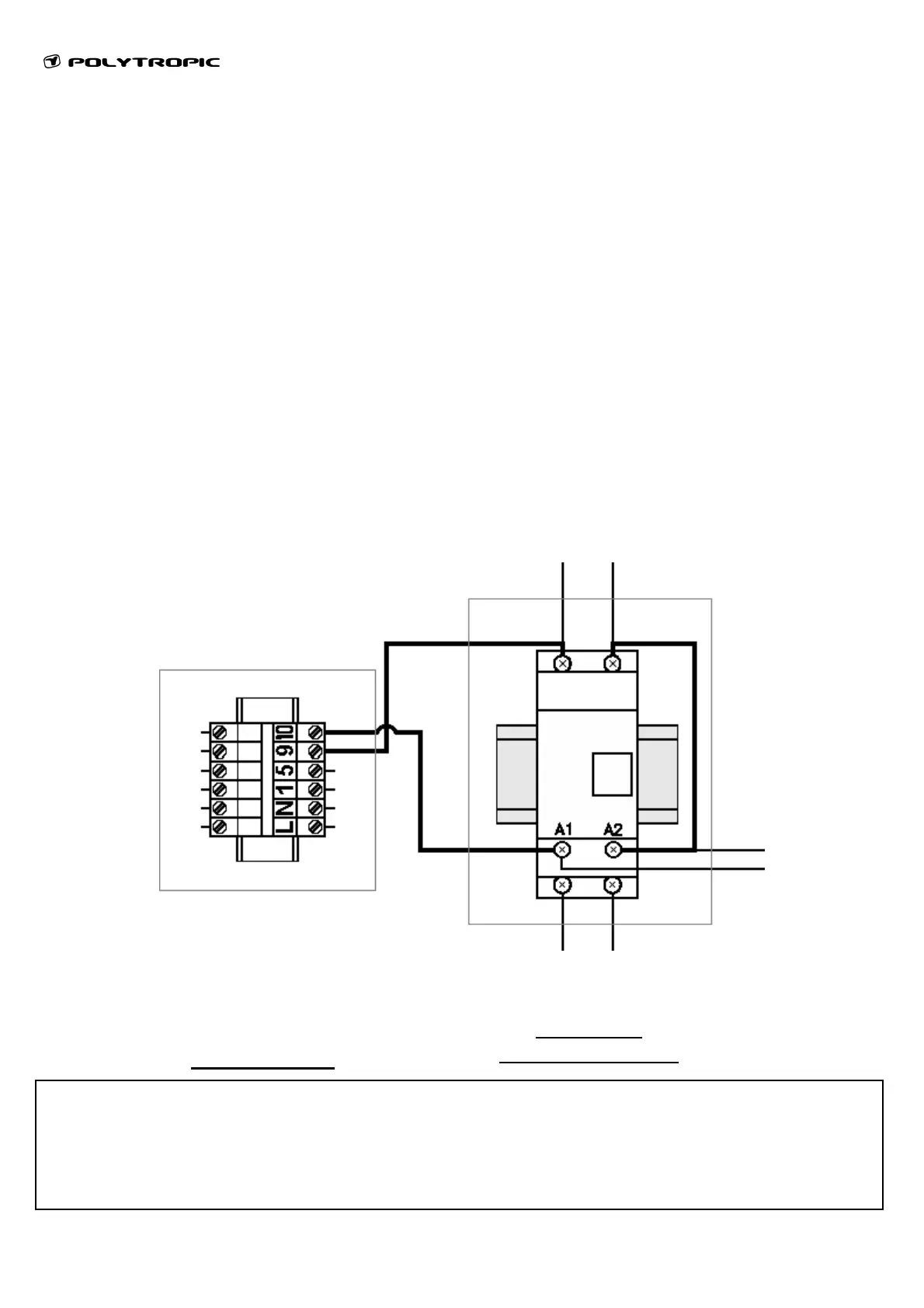
Option R-PAC : asservissement de la pompe de filtration
Ce système permet de forcer la pompe de filtration à fonctionner si la
piscine n’est pas à la température souhaitée.
Pour cela, il va falloir relier les bornes « 9 » et « 10 » de la pompe à
chaleur R-PAC sur le relai qui contrôle le départ de la pompe de filtration :
- Repérer sur l’alimentation du relai la phase et le neutre.
- Repérer sur la commande du relai (bornes « A1 » et « A2 ») la phase
et le neutre.
- Relier le neutre de l’alimentation du relai, au neutre de la commande
du relai (Fil A).
- Relier la phase de l’alimentation du relai à la borne « 10 » de la
pompe à chaleur R-PAC (Fil B).
- Relier la phase de la commande du relai à la borne « 9 » de la
pompe à chaleur R-PAC (Fil C).
Attention, dans le cas d’une installation en triphae (R-PAC31), la phase
utilie pour l’asservissement aux bornes « 9 » et « 10 » de la pompe à
chaleur doit impérativement être celle branchée en borne « 3 » du bornier
d’alimentation.
Alimentation 230V
de la pompe de filtration
Pompe de filtration
Commande
230V
de la pompe
de filtration
Bornier R-PAC
Contacteur
pompe de filtration
Fil A
Fil B
Fil C
Neutre Phase
Neutre
Phase
Neutre Phase

Table of Contents

Related product manuals