EasyManua.ls Logo

Polytropic PAC 16 - R-PAC Option: Heizpriorität

Polytropic PAC 16
Print Icon
To Next Page IconTo Next Page
To Next Page IconTo Next Page
To Previous Page IconTo Previous Page
To Previous Page IconTo Previous Page
Loading...
- 93 -
R-PAC Option: Heizpriorität
In dieser Option übernimmt die Wärmepumpe (WP) die Kontrolle über die
Filterpumpe (FP), um die eingestellte Wassertemperatur schneller zu
erreichen.
Falls diese Option eingestellt ist, wird die WP die FP alle 60 Min für jeweils 10
Min einschalten, um die Wassertemperatur zu prüfen. Falls die
Wassertemperatur unter dem Einstellwert ist, wird die WP anfangen zu heizen
und lässt die FP eingeschaltet, bis die Solltemperatur erreicht ist.
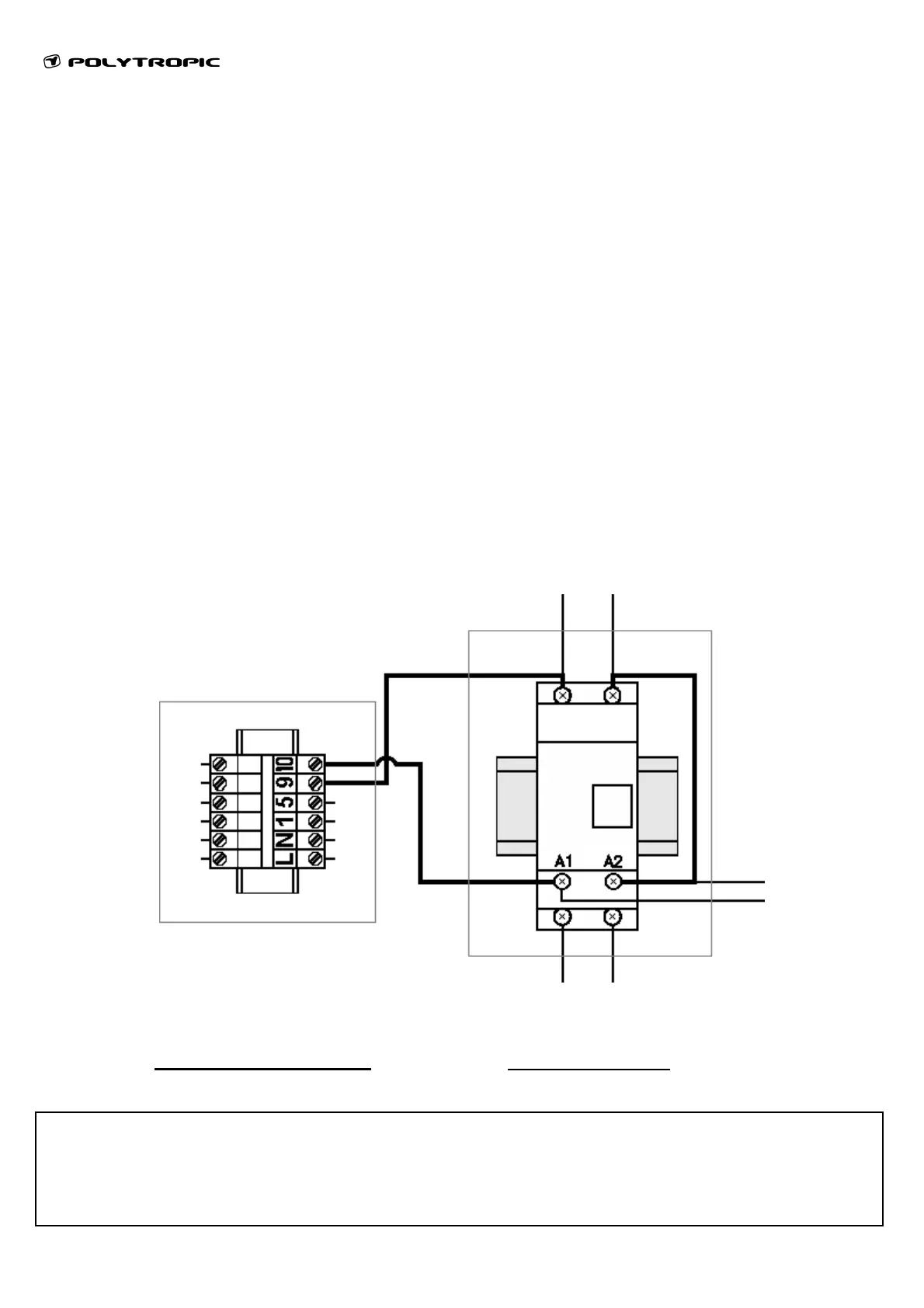
Die WP hat einen potentialfreien Kontakt von max 4A zwischen den
Anschlussklemmen “9” und “10”, welche die FP kontrollieren. Hierzu müssen
Sie die Anschlussklemmen wie folgt anschliessen:
Entweder parallel mit einem potentialfreien Kontakt an der Zeitschaltuhr der
FP, oder
Direkt am Relais, welches die Funktion der FP kontrolliert:
Verbinden Sie die Fase der Stromversorgung des Relais der FP
mit der Anschlussklemme “10” der WP (Kabel B)
Verbinden Sie die Fase der Zeitschaltuhr des Relais der FP (A1)
mit der Anschlussklemme “9” der WP (Kabel C)
Achtung! Falls die Installation 3 fasig ist (R-PAC31T), müssen die Fasen
“9und “10” dieselben sein, wie die Fase, die an der Stromversorgung der
Anschlussklemme3der R-PAC31 angeschlossen ist.
Filtrat
ionspumpe
Kontrolle
230V der
Filtrations-
Pumpe
WP Anschlussklemme
Filtrations-Relais
Fil A
Fil B
Fil C
Neutral Phase
Neutral
Fase
Neutral Phase

Table of Contents

Related product manuals