EasyManua.ls Logo

Power One AURORA PVI-7200-WIND-INTERFACE - WBI Block Diagram

Power One AURORA PVI-7200-WIND-INTERFACE
20 pages
Print Icon
To Next Page IconTo Next Page
To Next Page IconTo Next Page
To Previous Page IconTo Previous Page
To Previous Page IconTo Previous Page
Loading...
Installation and Operator’s Manual Page 8 of 20
(Aurora Wind Interface Rev 4.0)
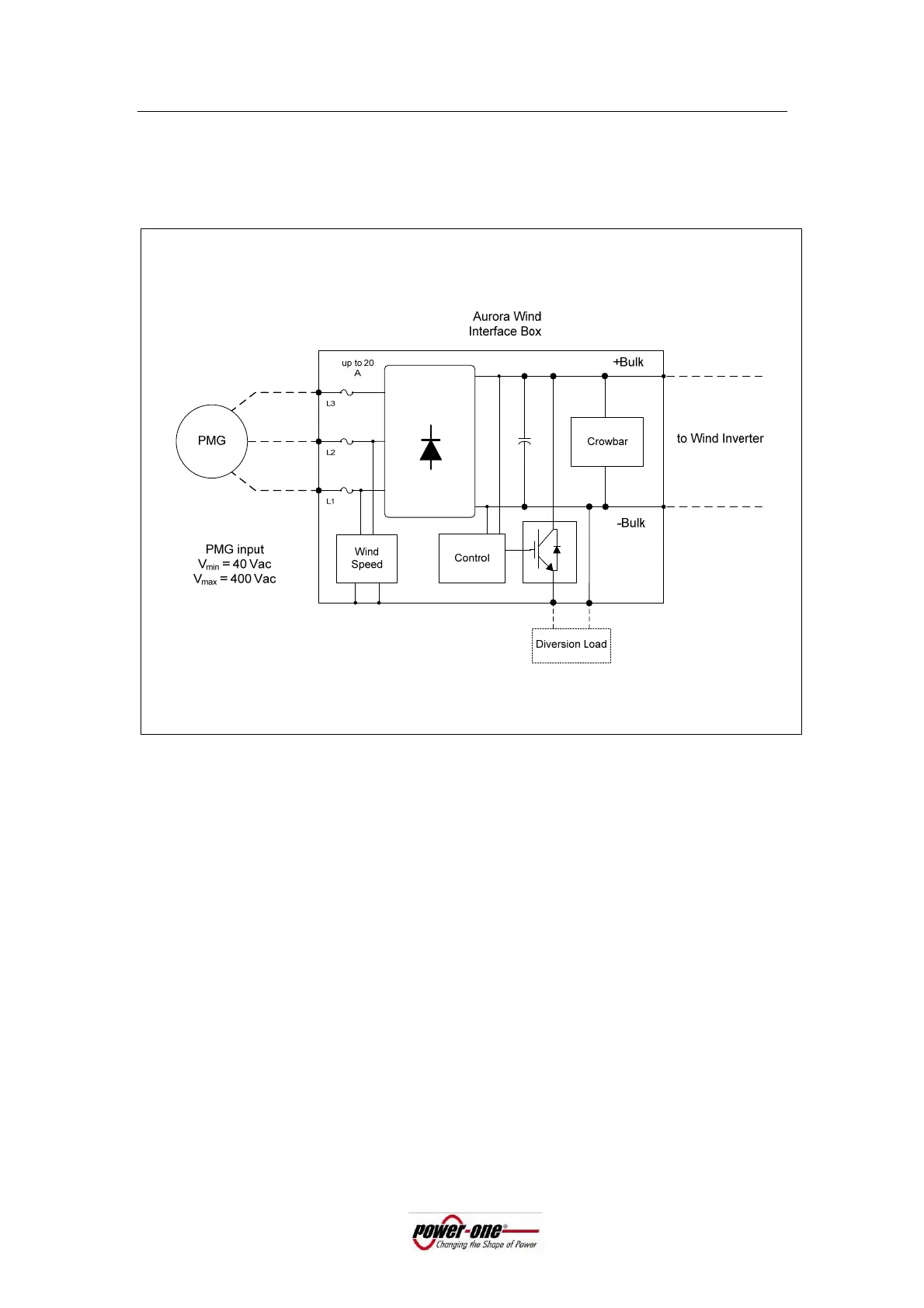
1.2 WBI Block Diagram
The AURORA WBI is designed to be used with the Aurora Wind Inverter.
Figure 1: Wind Box Interface Block Diagram

Related product manuals