EasyManua.ls Logo

POWERBOR PB70/2 - Wiring Diagram

POWERBOR PB70/2
20 pages
Print Icon
To Next Page IconTo Next Page
To Next Page IconTo Next Page
To Previous Page IconTo Previous Page
To Previous Page IconTo Previous Page
Loading...
PB70 Manual Original instructions May 2019
9
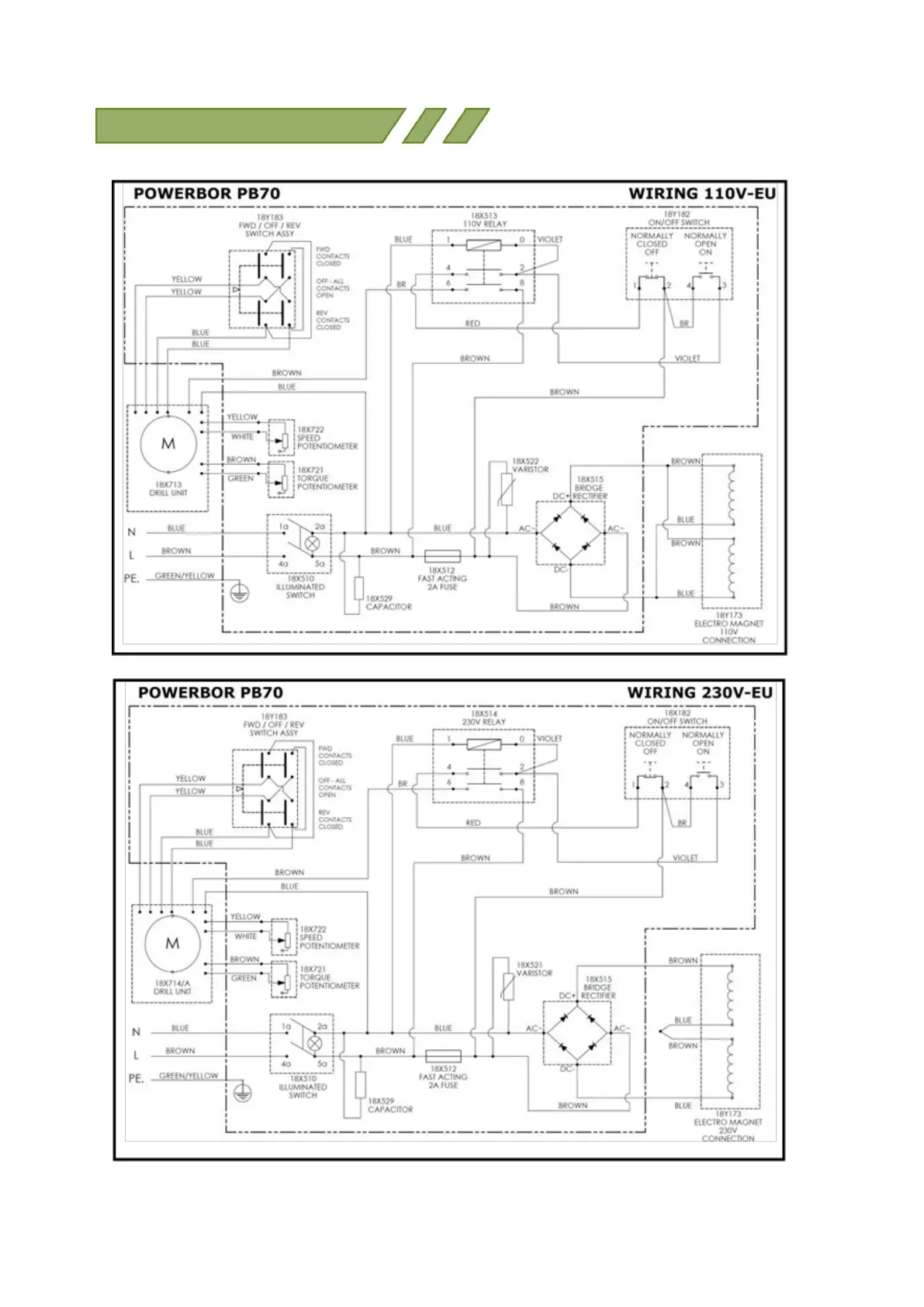
10) WIRING DIAGRAM

Related product manuals