EasyManua.ls Logo

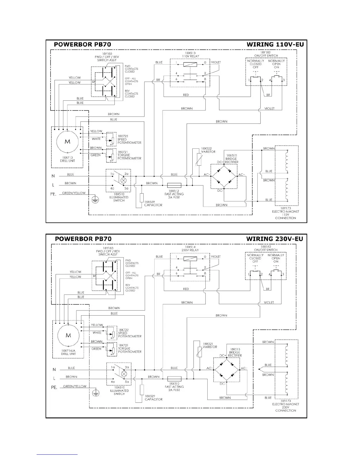
POWERBOR PB70 - PB70 Wiring Diagrams

POWERBOR PB70
32 pages
Print Icon
To Next Page IconTo Next Page
To Next Page IconTo Next Page
To Previous Page IconTo Previous Page
To Previous Page IconTo Previous Page
Loading...
27 PB70 - W18XC1052 - Revised 040113
PB70 WIRING DIAGRAMS

Related product manuals