EasyManua.ls Logo

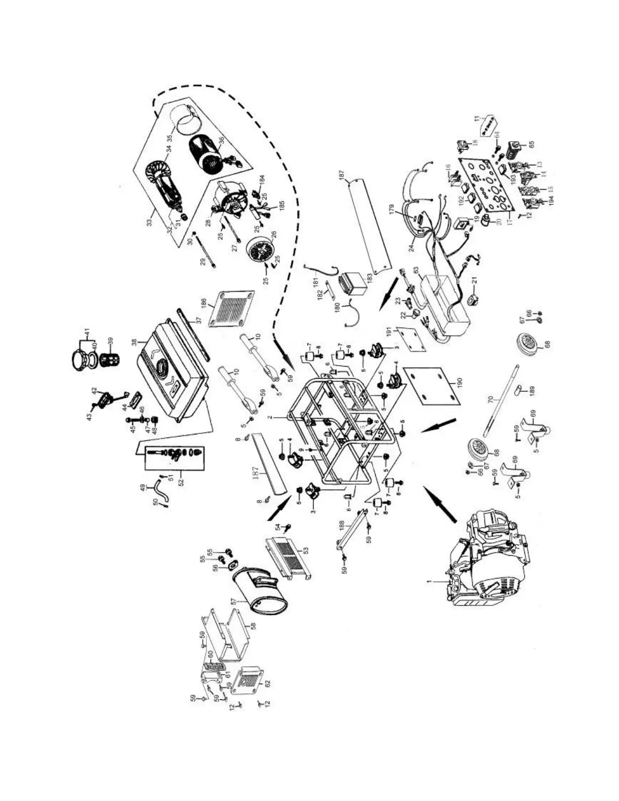
PowerMax XP10000E - EXPLODED VIEW AND PARTS LIST

PowerMax XP10000E
29 pages
Print Icon
To Next Page IconTo Next Page
To Next Page IconTo Next Page
To Previous Page IconTo Previous Page
To Previous Page IconTo Previous Page
Loading...
24
EXPLODED VIEW AND PARTS LIST