EasyManua.ls Logo

Powersmart DB2194SR - Vue Éclatée et Liste des Pièces

Powersmart DB2194SR
72 pages
Print Icon
To Next Page IconTo Next Page
To Next Page IconTo Next Page
To Previous Page IconTo Previous Page
To Previous Page IconTo Previous Page
Loading...
43
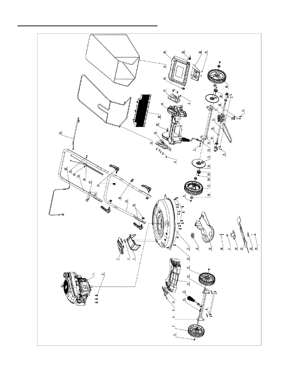
VUE ÉCLATÉE ET LISTE DES PIÈCES

Related product manuals