EasyManua.ls Logo

Powersmart DB2194SR - Vista Detallada y Lista de Piezas

Powersmart DB2194SR
72 pages
Print Icon
To Next Page IconTo Next Page
To Next Page IconTo Next Page
To Previous Page IconTo Previous Page
To Previous Page IconTo Previous Page
Loading...
67
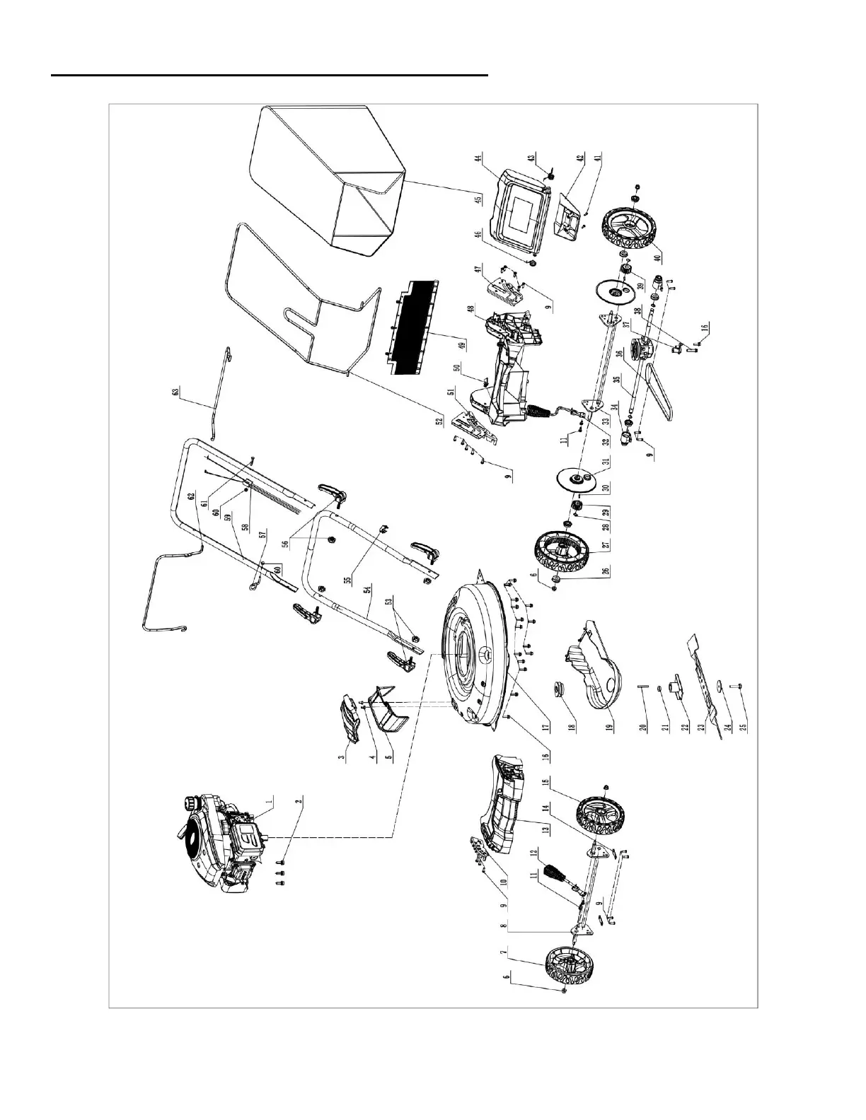
VISTA DETALLADA Y LISTA DE PIEZAS

Related product manuals