EasyManua.ls Logo

Powtran PR5200 5R5G3 - Page 16

Powtran PR5200 5R5G3
40 pages
Print Icon
To Next Page IconTo Next Page
To Next Page IconTo Next Page
To Previous Page IconTo Previous Page
To Previous Page IconTo Previous Page
Loading...
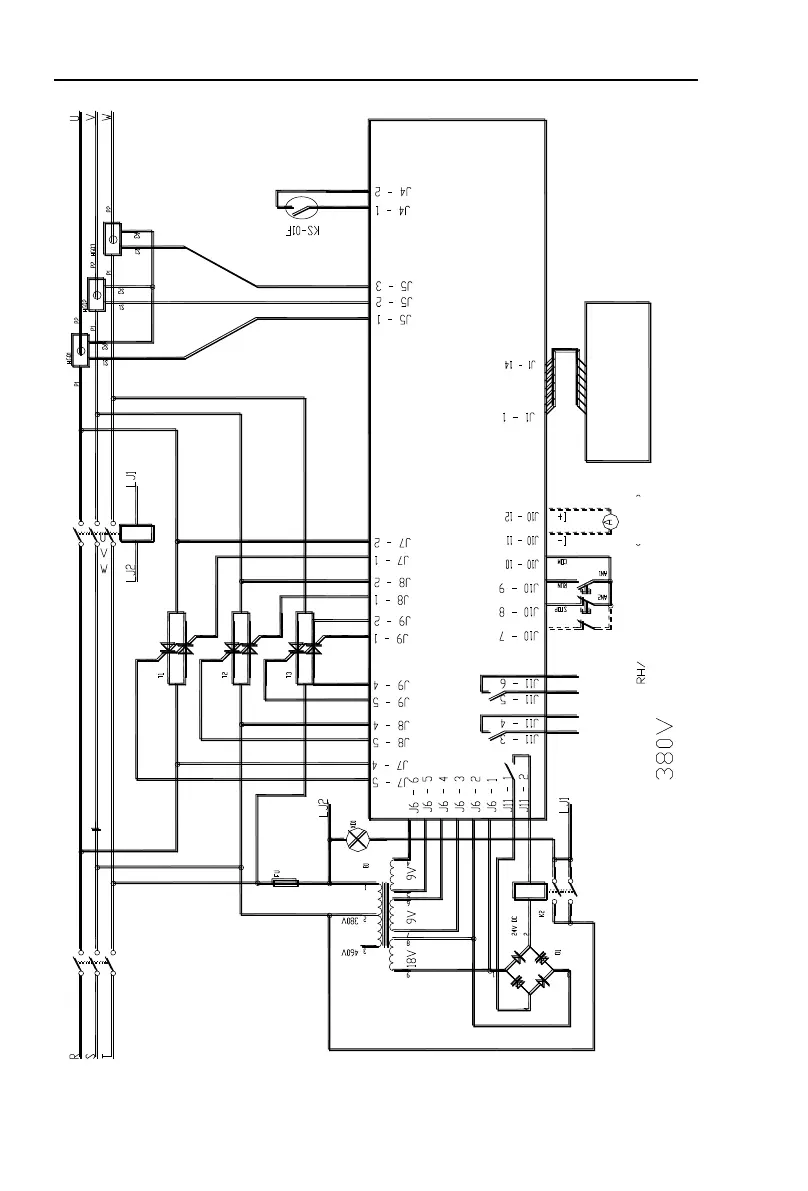
Section IV Main circuit and terminal wiring
12
start control panel
temperature
controlled
switch
delay
output
fault
output
instant
stop
start
analog output
020mA420mA
operation
keyboard
breaker
soft starter circuit diagram

Table of Contents

Related product manuals