EasyManua.ls Logo

PPA Agility Hibrida - Page 67

PPA Agility Hibrida
Print Icon
To Next Page IconTo Next Page
To Next Page IconTo Next Page
To Previous Page IconTo Previous Page
To Previous Page IconTo Previous Page
Loading...
67
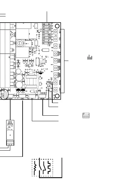
SUMINISTRO ELÉCTRICO
100 - 230Vac / 50-60 Hz
CONDENSADOR DE
ARRANQUE DEL MOTOR
LUZ DE CORTESÍA
('SEMÁFORO)
POSITIVO "+" (12VDC)
NEGATIVO "–" (GND)
FOTOCÉLULA DE CIERRE
FOTOCÉLULA DE APERTURA
FIN DE CARRERA MECÁNICO DE CIERRE
FIN DE CARRERA MECÁNICO DE APERTURA
BOTONERA
(PEATONAL)
CONTACTO NEGATIVO
SUMINISTRO ELÉCTRICO
(230V/50HZ)
MOTOR DE INDUCCIÓN
MONOFÁSICO
CABLE DE CODIFICADOR (FIN DE CURSO DIGITAL)
REEDS DE
FIN DE CURSO
A = APERTURA
F = CIERRE (C)
C = COMÚN
MÓDULO DE RELÉ PPA
CERRADURA ELECTROMAGNÉTICA
COMÚN (HILO AMARILLO)
APERTURA / CIERRE (HILO NEGRO / ROJO)
CIERRE / APERTURA (HILO ROJO / NEGRO)
LEDS DE
PROGRAMACIÓN
BOTONES DE
PROGRAMACIÓN
JUMPER PARA INVERSIÓN DE ROTACIÓN
PROG (PROGRAMADOR)
RECEPTOR SUELTO (OPCIONAL)
NOTA: El receptor suelto puede ser
cualquier dispositivo que proporcione un
contacto NA (normalmente abierto) a la
tarjeta electrónica, como un teclado con
contraseña, un lector de tarjetas de
proximidad, un receptor de RF, etc., con la
alimentación suministrada al conector de
12 V CC.
FOTOCÉLULAS
Las salidas de las fotocélulas aceptan contacto NO, NC, pulsado y resistivo,
solo tiene que conectar y programar según la opción elegida.
JUMPER DE PROGRAMACIÓN
TACT
LED
M
C
FA
LSO
LSC
NA C NF

Related product manuals