EasyManua.ls Logo

PR electronics 5331 Series - Blockdiagramm

PR electronics 5331 Series
Print Icon
To Next Page IconTo Next Page
To Next Page IconTo Next Page
To Previous Page IconTo Previous Page
To Previous Page IconTo Previous Page
Loading...
5331V113-DE 9
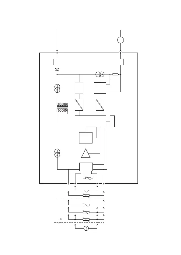
BLOCKDIAGRAMM
0...16
mA
4
3
2
1
5
6
4
3
2
+
-
+
-
mV
mA
M UX
4 m A
5331
PGA
D / A
C omm.
A / D
C PU
EEPRO M
Eingang Masse
Versorgung -
4...20 mA
TE
Ext.
CJC
mV
WTH, lin. R
- Draht
Int.
CJC
Ex-Kreislauf, nur 5331D
Versorgung +
7,2...35 VDC

Related product manuals