EasyManua.ls Logo

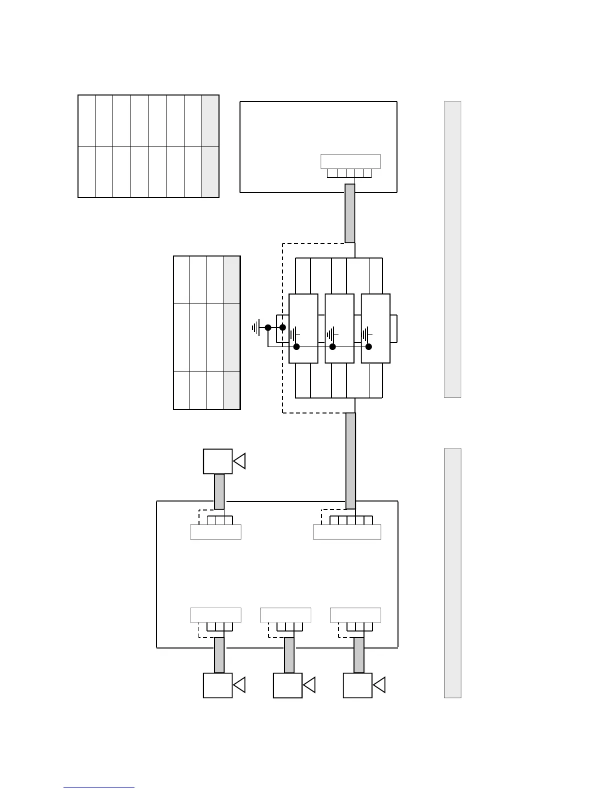
Precise Instrument DAT 400 - Grounding Connections Diagram

Precise Instrument DAT 400
60 pages
Print Icon
To Next Page IconTo Next Page
To Next Page IconTo Next Page
To Previous Page IconTo Previous Page
To Previous Page IconTo Previous Page
Loading...
Page 54
48

FUNCTION
COLOR
+ Exc.
Green
+ Sense
Blue
 Exc.
Black
 Sense
Yellow
+ Signal
Red
 Signal
White
Shield
GND
FUNCTION
BARRIER TYPE
QTY
Z961H
1
Z966H
1
Z961H
1
+/ Signal
+/ Exc.
+/ Sense
HAZARDOUS AREA
1
2
3
4
5
1
2
3
4
5
6
7
1
2
3
4
5
1
2
3
4
5
1
2
3
4
5
 Sig
+ Sig
 Exc
 Sens
+ Sens
+ Exc
Shield
+ Exc
 Exc
+ Sig
 Sig
Shield
+ Exc
 Exc
+ Sig
 Sig
Shield
+ Exc
 Exc
+ Sig
 Sig
Shield
+ Exc
 Exc
+ Sig
 Sig
Shield
SAFE AREA
8
5
Z961H
4
1
6
5
Z966H
4
3
8
5
Z961H
4
1
 Signal
+ Signal
 Exc.
+ Exc.
 Sense
+ Sense
 Signal
+ Signal
 Exc.
+ Exc.
 Sense
+ Sense
13
14
15
16
17
18
 Exc.
+ Exc.
+ Sens
 Sens
 Sig.
+ Sig.
Model 400
Digital / Analog Transmitter
Summing Junction Box

Intrinsic Safety Barriers