EasyManua.ls Logo

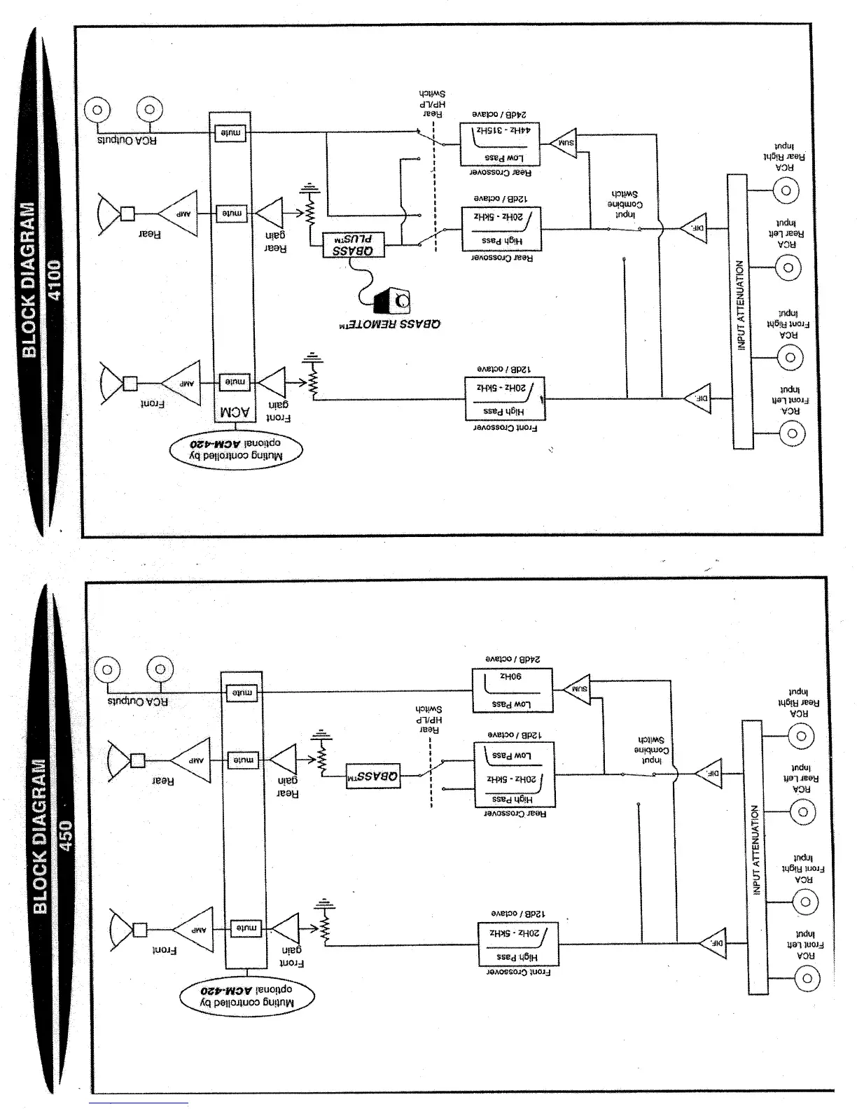
Precision Power Power Class - Block Diagrams; Block Diagram PC450; Block Diagram PC4100

Precision Power Power Class
15 pages
Print Icon
To Previous Page IconTo Previous Page
To Previous Page IconTo Previous Page
Loading...

Related product manuals